EasyManua.ls Logo

Kalmar DCE80-100E - Fuel System

Kalmar DCE80-100E
317 pages
Print Icon
To Next Page IconTo Next Page
To Next Page IconTo Next Page
To Previous Page IconTo Previous Page
To Previous Page IconTo Previous Page
Loading...
DCE80-100E
Technical Handbook
Engine TWD731VE
Description
7
P.Group 30
TDCE01
04GB
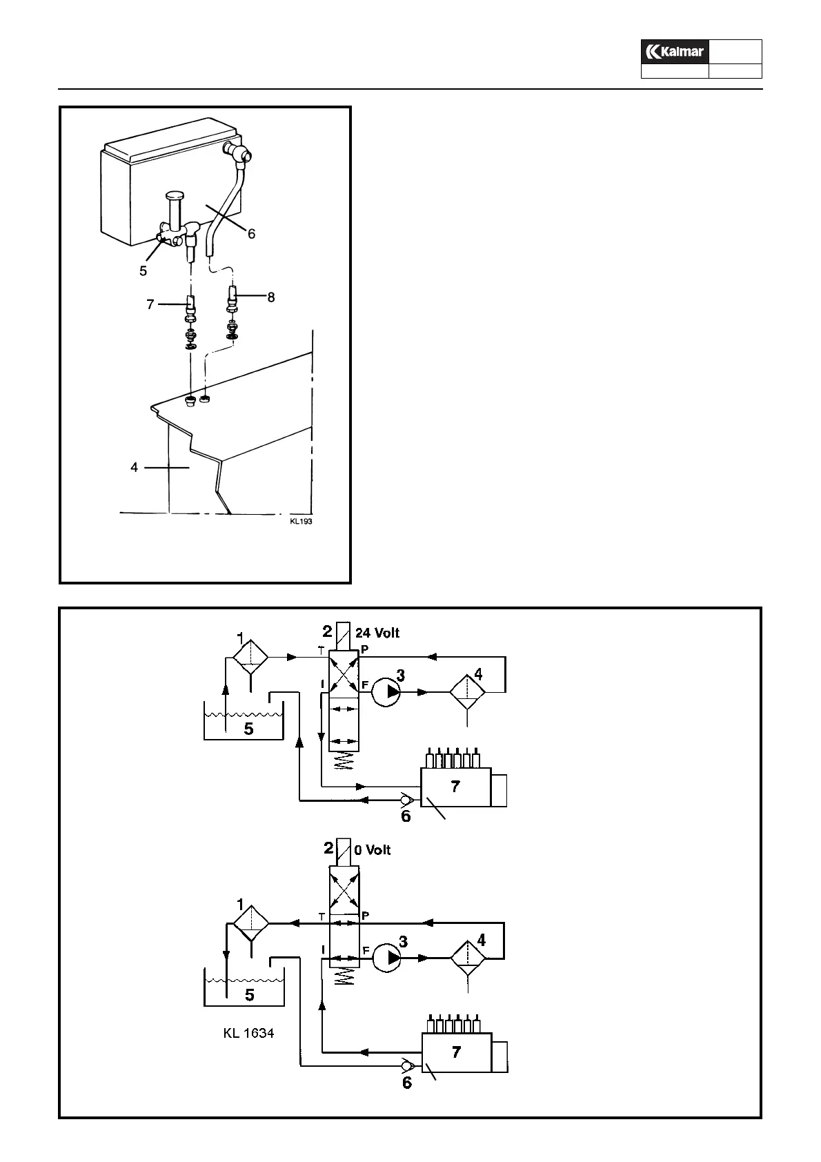
Fuel system
The fuel circulates in two circuits - the high-pressure circuit and
the low-pressure circuit. When the engine is started, the feed
pump draws fuel from the tank and delivers it at relatively low
pressure through fine filters up to the injection pump. This then
delivers fuel at high pressure to the injectors which supply the fuel
in atomised form to the engine combustion chambers.
Excess fuel which is circulated in the low-pressure system is also
cleaned in the fine filters and is returned through a spill valve
back to the tank.
The fuel system includes the following components:
Fuel tank - a separate unit located on the left-hand side of the
truck. The fuel volume in the tank can be read on a gauge on the
instrument panel.
Feed pump - of piston type, supplies fuel at a certain pressure
and flow rate to the injection pump.
Spill valve - which restricts the fuel feed pressure and provides
continuous venting of the fuel system. Excess fuel flows through
the injection pump before returning to the tank, thus cooling the
fuel in the fuel chamber of the pump, which contributes to more
uniform distribution of the fuel to the various cylinders.
.
See diagram below
Fuel system, schematic
1. Coarse filter
2. Fuel shut off valve
3. Feeder pump
4. Fine filter
5. Fuel tank
6. Check valve
7. IInjection pump
8. Overflow valve
8
8
Shut down
Normal operation

Table of Contents

Related product manuals