EasyManua.ls Logo

Kalmar DCE80-100E - Page 237

Kalmar DCE80-100E
317 pages
Print Icon
To Next Page IconTo Next Page
To Next Page IconTo Next Page
To Previous Page IconTo Previous Page
To Previous Page IconTo Previous Page
Loading...
DCE80-100E
Technical Handbook
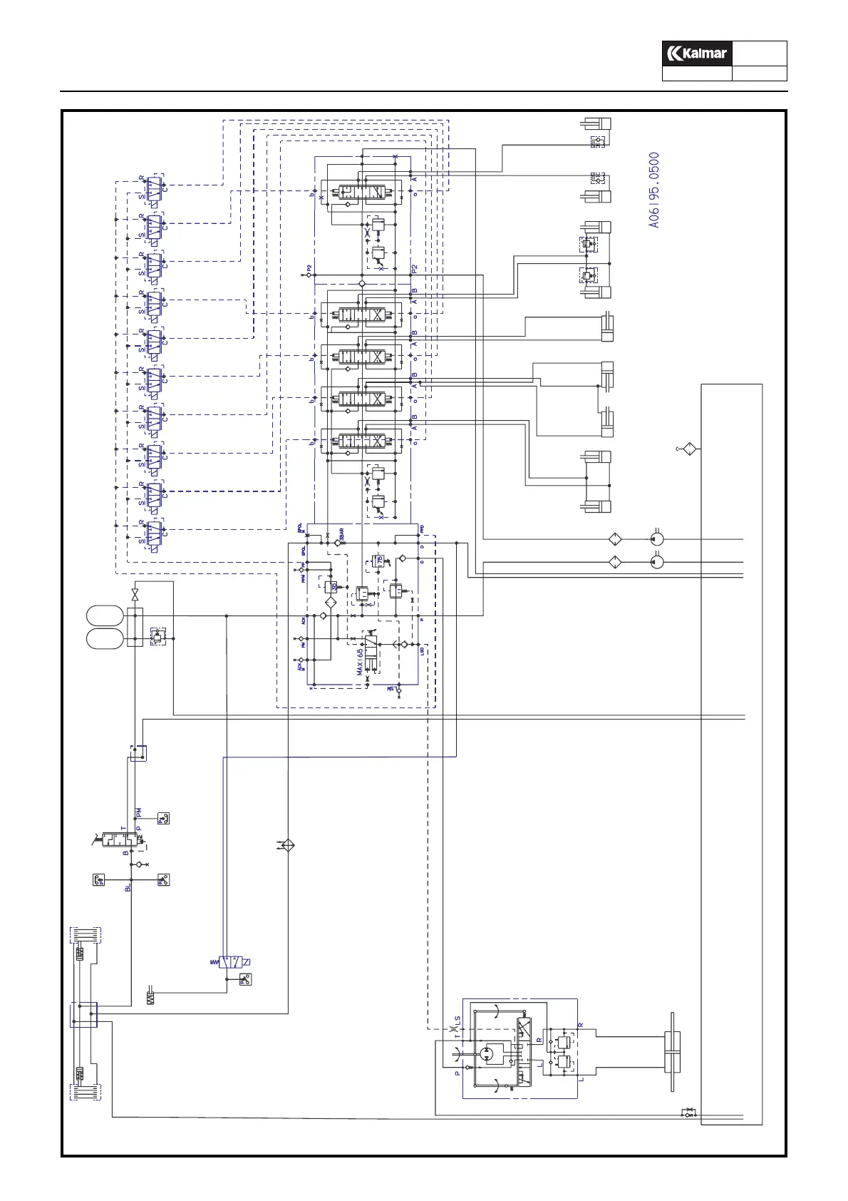
Hydraulic diagram
Components
45
P.Group 70
TDCE01
04GB
1
2
3
4
5
6
7
8
9
10
12
13
14
15
16171819
2626
27
2828
29 29
30
47
48
47
48
23
20a 20b
50
31
24
25
37
49
41
34
35
39
40
32
38
36
36
33
33
21
22
42
51
44
52
Hydraullic system, electric servo A06195.0500

Table of Contents

Related product manuals