EasyManua.ls Logo

Kalmar DCE80-100E - Page 239

Kalmar DCE80-100E
317 pages
Print Icon
To Next Page IconTo Next Page
To Next Page IconTo Next Page
To Previous Page IconTo Previous Page
To Previous Page IconTo Previous Page
Loading...
DCE80-100E
Technical Handbook
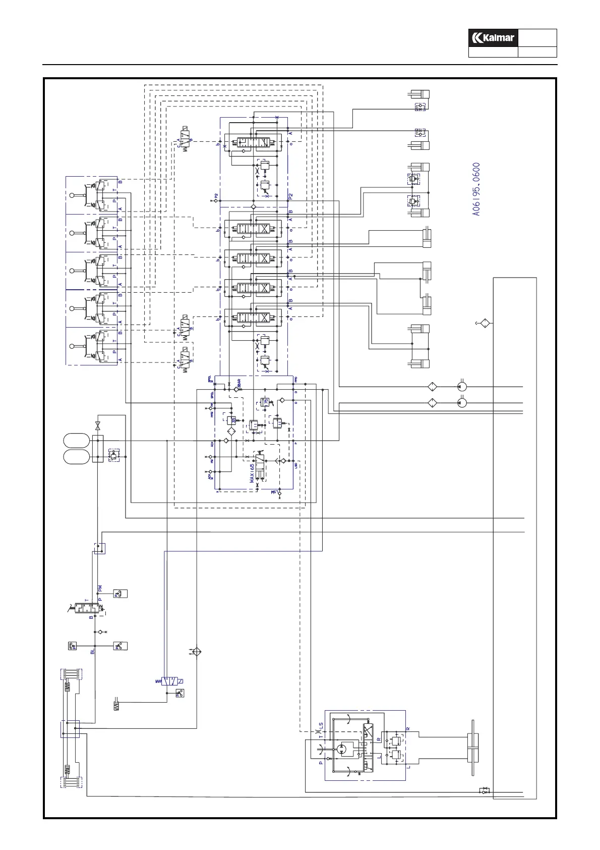
Hydraulic diagram
Components
47
P.Group 70
TDCE01
04GB
Hydraulsystem, hydraulservo A06195.0600
1
2
3
4
5
6
7
8
9
10
12
13
14
15
16171819
45
46
2626
27
2828
29
29
30
47
48
47
48
23
20a 20b
50
31
24
25
37
49
41
34
35
39
40
32
38
36
36
33
33
21
22
42
43
44

Table of Contents

Related product manuals