EasyManua.ls Logo

Kalmar DCE80-100E - Page 29

Kalmar DCE80-100E
317 pages
Print Icon
To Next Page IconTo Next Page
To Next Page IconTo Next Page
To Previous Page IconTo Previous Page
To Previous Page IconTo Previous Page
Loading...
DCE80-100E
Technical Handbook
Air conditioning unit
Service
15
P.Group 10
TDCE01
04GB
L
M
H
C
A
1
2
3
RD 1,5
GL 1,5
SV 1,5
RD 1,5
4
4
R
R
RD 1,5
M
M
M
BR 1,5
BR 1,5
VT 1,5
7
BR 1,5
8
30
85
87
86
GL 1,5
10
LOW
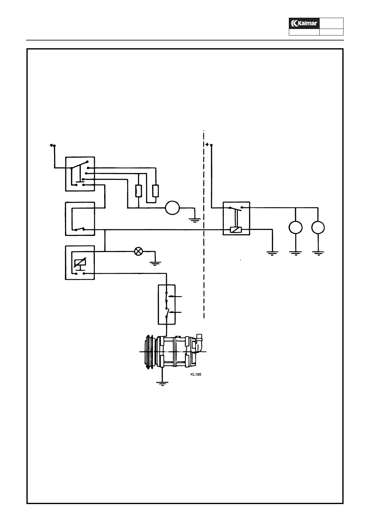
IN CAB CLIMATE UNIT CONDENSER UNIT
1. Fan switch
2. Cooler on/off
3. Anti-freeze thermostat
4. Resistor
5. Fan motor
6. Indicator lamp – cold (in push button)
7. High-/low-pressure monitor
8. Relay
9. Condenser fan
10. Compressor
5
6
9
Circuit diagram in cab climate unit/condenser unit
HIGH

Table of Contents

Related product manuals