EasyManua.ls Logo

KLS Martin group marLED E3 - Circuit Diagram, Video Cabling, CAN Bus Wiring

KLS Martin group marLED E3
192 pages
Print Icon
To Next Page IconTo Next Page
To Next Page IconTo Next Page
To Previous Page IconTo Previous Page
To Previous Page IconTo Previous Page
Loading...
Service Manual
Operating Lights marLED® E3, E9, E9i, E15, battery and
marLED® E3 on ceiling tube Ø 110 mm
30 Revision 2
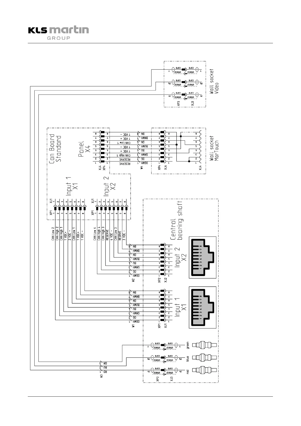
6.1.3 Circuit Diagram, Video Cabling, CAN Bus Wiring

Table of Contents

Related product manuals