EasyManua.ls Logo

KLS Martin group marLED E3 - Circuit Diagram for 3-Pole Tracking Arm Marled E9, E9 I, E15 (Battery); Circuit Diagram for 3-Pole Tracking Arm Marled E3; Circuit Diagram for 5-Pole Tracking Arm with Wall Control Panel

KLS Martin group marLED E3
192 pages
Print Icon
To Next Page IconTo Next Page
To Next Page IconTo Next Page
To Previous Page IconTo Previous Page
To Previous Page IconTo Previous Page
Loading...
Service Manual
Operating Lights marLED® E3, E9, E9i, E15, battery and
marLED® E3 on ceiling tube Ø 110 mm
58 Revision 2
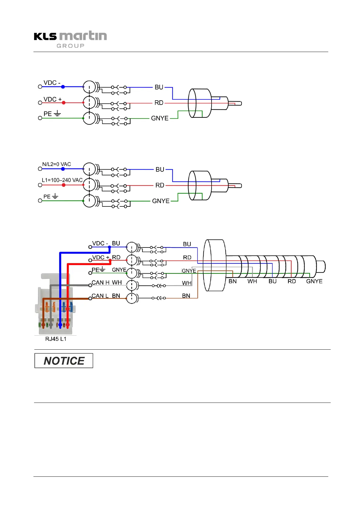
7.2.2 Circuit Diagram for 3-Pole Tracking Arm marLED® E9, E9i, E15 (battery)
7.2.3 Circuit Diagram for 3-Pole Tracking Arm marLED® E3
7.2.4 Circuit Diagram for 5-Pole Tracking Arm with Wall Control Panel
In
the case of light systems, please note the different color marks on the slip ring connections.
Tracking arm 1:
RD
Tracking arm 3:
BU
Tracking arm 2:
YE
Tracking arm 4:
GN

Table of Contents

Related product manuals