EasyManua.ls Logo

Kyocera FS-1030D - Heater Lamp Control Circuit

Kyocera FS-1030D
140 pages
Print Icon
To Next Page IconTo Next Page
To Next Page IconTo Next Page
To Previous Page IconTo Previous Page
To Previous Page IconTo Previous Page
Loading...
2G6
2-3-4
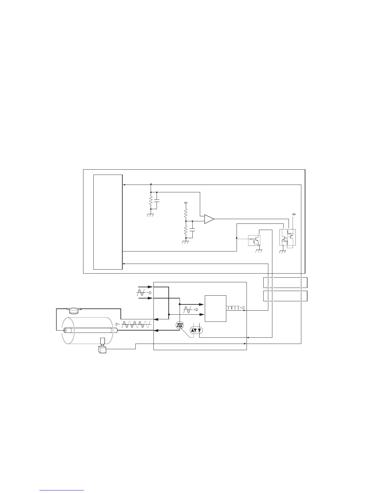
(2) Heater lamp control circuit
Activation of the heater lamp is dominated by the HEAT signal which is derived by the engine CPU (U1) at its pin #1. When
its level is high, transistor Q10 turns on, photo-triac PC2 and triac TRA1 turn on simultaneously, and the heater lamp is
applied with the primary AC voltage in turn.
Switching of triac TRA1, as affected by the HEAT signal is made in synchronization with the zero-cross signal ZCROSS
which is generated by the power supply unit. The zero-cross signal detector watches the transition of alternating plus and
negative current and detects the zero crosses. This detector derives the resultant ZCROSS signal at its pin #43 of the
engine CPU (U1). Since abrupt change in the current flow can be significantly avoided by synchronizing triac TRCA with the
zero-cross signal, the possibility of noise due to the primary AC supply is greatly reduced.
CPU (U1) selectively switches among those variations for applying voltages to the heater lamp according to the THERM
signal which appears at pin #33 as feedback.
A fraction of THERM is applied to pin #2 of comparator U4-1. The comparator maintains comparison of the potential at pin
#2 and pin #3 which gives a reference for the possible anomaly in the heater temperature (bred by resistors R44 and R40).
Should the voltage at pin #2 exceed that at pin #33, the level at pin #1 becomes low. Since pin #1 is wired (via transistor
array QA4) to the output line for the HEAT signal, the HEAT signal is enforced to be low regardless the behavior of CPU
(U1), thus preventing possible heat overrun.
HEAT
ZCROSS
2
3
1
GND
GND
GND
+5V
+5V
GND
R44
R40
+
-
393
U4-1
THERMA
33
P10/ANI0
P50/A8
P00/INTP0
1
43
CPU
U1
Power supply unit
Bias PWB
Engine PWB
High voltage
unit
HEATN
ZCROSS
Heat roller
Thermal cutout
Heater lamp
Fuser thermistor
AC input
Triac
(TRA1)
Zero
cross
signal
detection
circuit
QA4
Q10
+24 V
Heater lamp control circuit
(PC2)
Photo-triac
Figure 2-3-4 Heater lamp control circuit

Table of Contents

Other manuals for Kyocera FS-1030D

Related product manuals