EasyManua.ls Logo

Learjet 60 - Page 113

Default Icon
408 pages
Print Icon
To Next Page IconTo Next Page
To Next Page IconTo Next Page
To Previous Page IconTo Previous Page
To Previous Page IconTo Previous Page
Loading...
Learjet
60
PM-123
Original
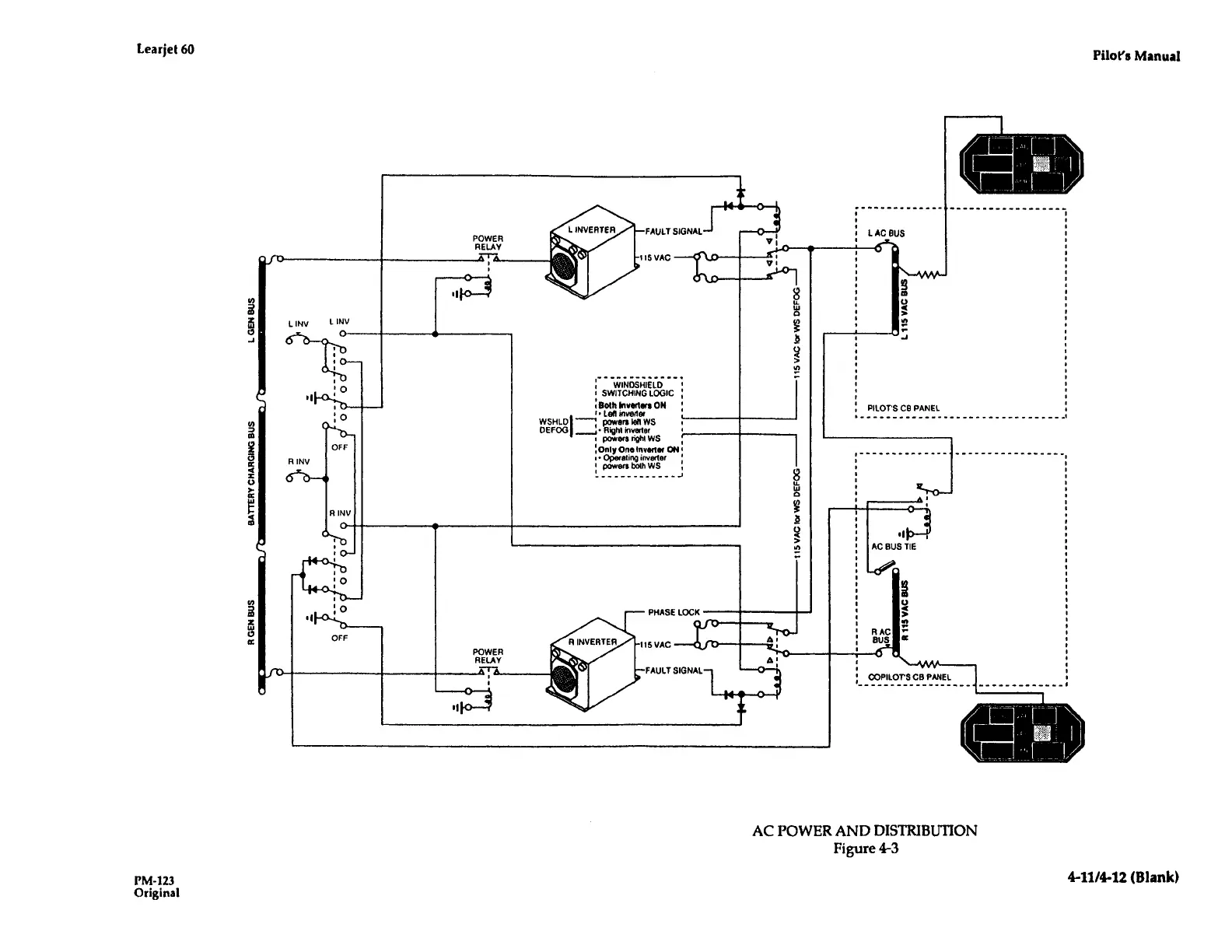
WINDSHIELD
SWITCHING
LOGIC
i
Both
Inverters
ON
"
Left
inverter
WSHLDI
-
~
powersIehWS
OEFOG
-,
"
Hghl
inverter
r
powers
right
WS
;Only
One
Invsrtsr
ON
"
Opersti=r
r
r
powers
bdh
W
S
--------------
U)
r
r
r
PILOT'S
CS
PANEL
i
-
--------------------------------
0
J
rl
AC
BUS
TIE
COPILOTS
CB
PANEL
----------
------
AC
POWER
AND
DISTRIBUTION
Figure
43
------------------
n
r
v
r
v
r
r
r
v
r
r
r
r
r
n
r
r
r
r
i
.
.r
Pilot's
Manual
411/412
(Blank)

Table of Contents

Related product manuals