EasyManua.ls Logo

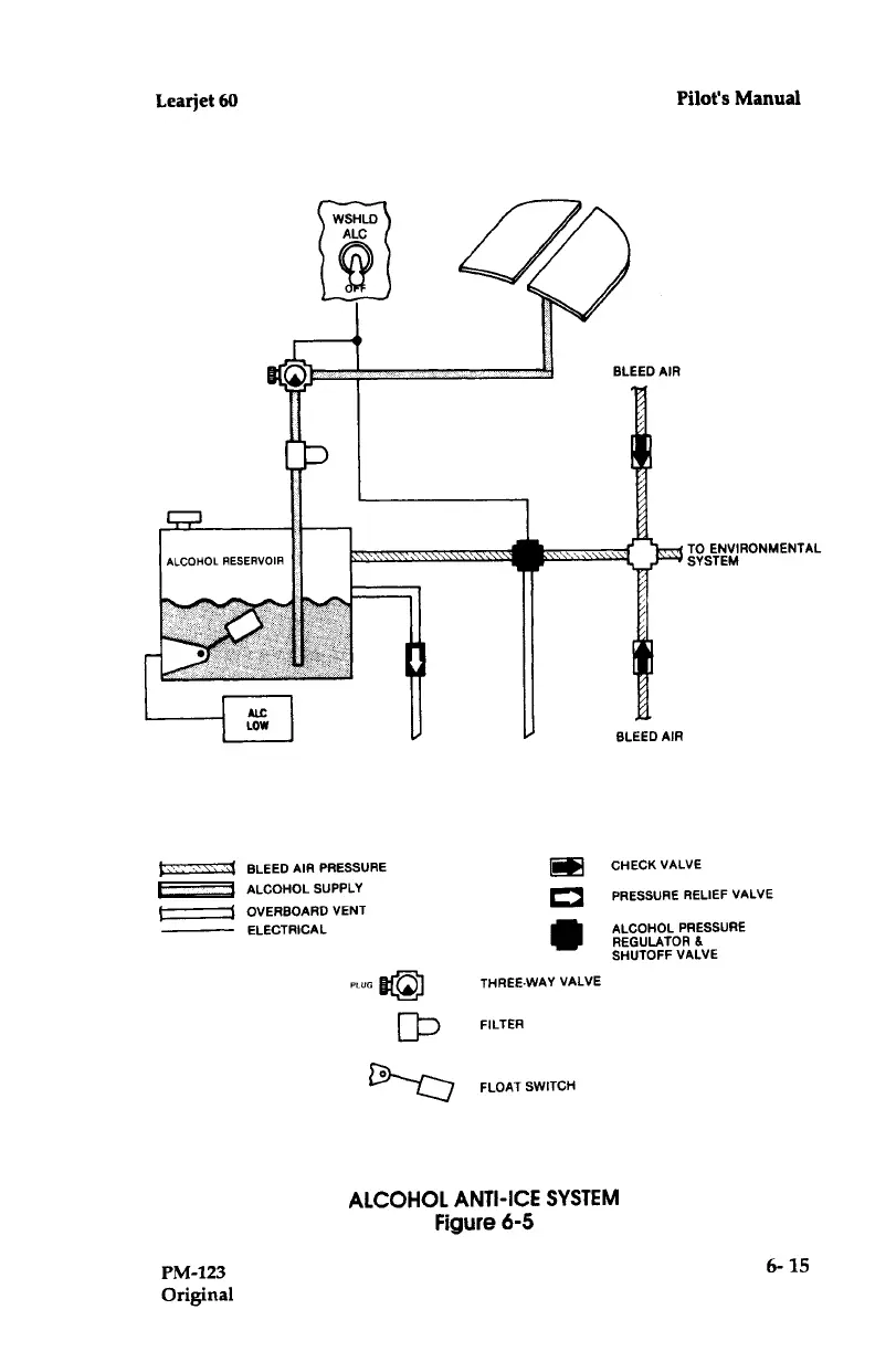
Learjet 60 - Alcohol Anti-Ice System (Figure 6-5)

Default Icon
408 pages
Print Icon
To Next Page IconTo Next Page
To Next Page IconTo Next Page
To Previous Page IconTo Previous Page
To Previous Page IconTo Previous Page
Loading...
Learjet
60
BLEED
AIR
PRESSURE
ALCOHOL
SUPPLY
OVERBOARD
VENT
ELECTRICAL
PLUG THREE-WAY
VALVE
FILTER
FLOAT
SWITCH
ALCOHOL
ANTI-ICE
SYSTEM
Figure
6-5
CHECK
VALVE
Pilot's
Manual
TO
ENVIRONMENTAL
SYSTEM
PRESSURE
RELIEF
VALVE
ALCOHOL
PRESSURE
REGULATOR
&
SHUTOFF
VALVE
PM-123
6-15
Original

Table of Contents

Related product manuals