EasyManua.ls Logo

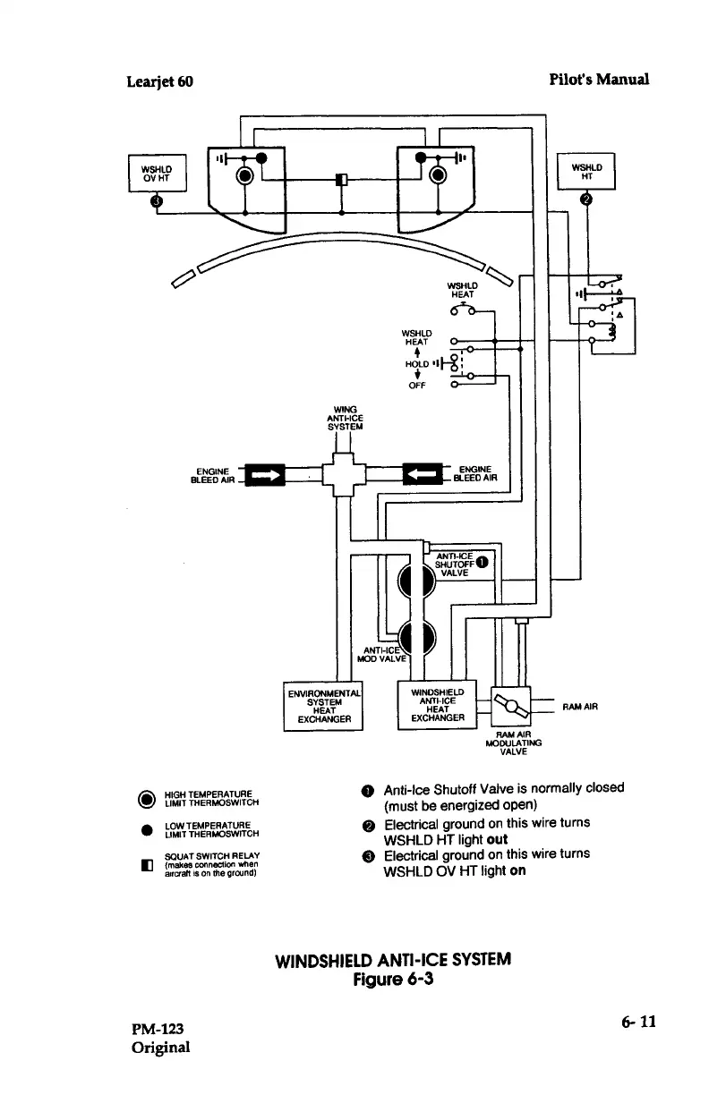
Learjet 60 - Windshield Anti-Ice System (Figure 6-3); WSHLD HT Light; WSHLD OV HT Light

Default Icon
408 pages
Print Icon
To Next Page IconTo Next Page
To Next Page IconTo Next Page
To Previous Page IconTo Previous Page
To Previous Page IconTo Previous Page
Loading...
Learjet
60
WSHLD
OVHT
P
mom
Im
-
k
E
l
l
u
mm
W
ilr
o
ll
hP
O
=
~~rr~
WSHUD
HEAT
WSHUD
HEAT
a
HOLD
OFF
WING
ANTHCE
SYSTEM
ENGINE
BLEED
AIR
WSHLD
HT
2
=1
WOND
oil
N
0
mil-a
ENGINE
BLEED
AIR
HIGH
THERMOSW
ITCH
Q
LOW
TEMPERATURE
OMIT
THERMOSWRCH
SQUAT
SWITCH
RELAY
91
(makes
connection
when
araatt
is
on
the
ground)
PM-123
Original
WINDSHIELD
ANTI-ICE
SYSTEM
Figure
6-3
RAM
AIR
MODULATING
VALVE
Pilot's
Manual
RAM
AIR
Q
Anti-Ice
Shutoff
Valve
is
normally
closed
(must
be
energized
open)
Q
Electrical
ground
on
this
wire
turns
WSHLD
HT
light
out
©
Electrical
ground on
this
wire
turns
WSHLD
OV
HT
light
on
6-11

Table of Contents

Related product manuals