EasyManua.ls Logo

Learjet 60 - Primary Pitot-Static System Schematic

Default Icon
408 pages
Print Icon
To Next Page IconTo Next Page
To Next Page IconTo Next Page
To Previous Page IconTo Previous Page
To Previous Page IconTo Previous Page
Loading...
Pilot's
Manual
-
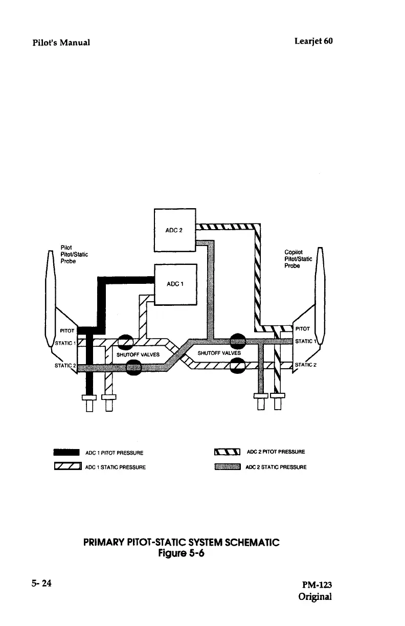
ADC
1
PITOT
PRESSURE
ADC
1
STATIC
PRESSURE
Room
®
ADC
2
PITOT
PRESSURE
ADC
2
STATIC
PRESSURE
PRIMARY
PITOT-STATIC
SYSTEM
SCHEMATIC
Figure
5-6
Learjet
60
5-24
PM-123
Original

Table of Contents

Related product manuals