EasyManua.ls Logo

Learjet 60 - Page 118

Default Icon
408 pages
Print Icon
To Next Page IconTo Next Page
To Next Page IconTo Next Page
To Previous Page IconTo Previous Page
To Previous Page IconTo Previous Page
Loading...
Learjet
60
Pilot's
Manual
PM-123
Change
4
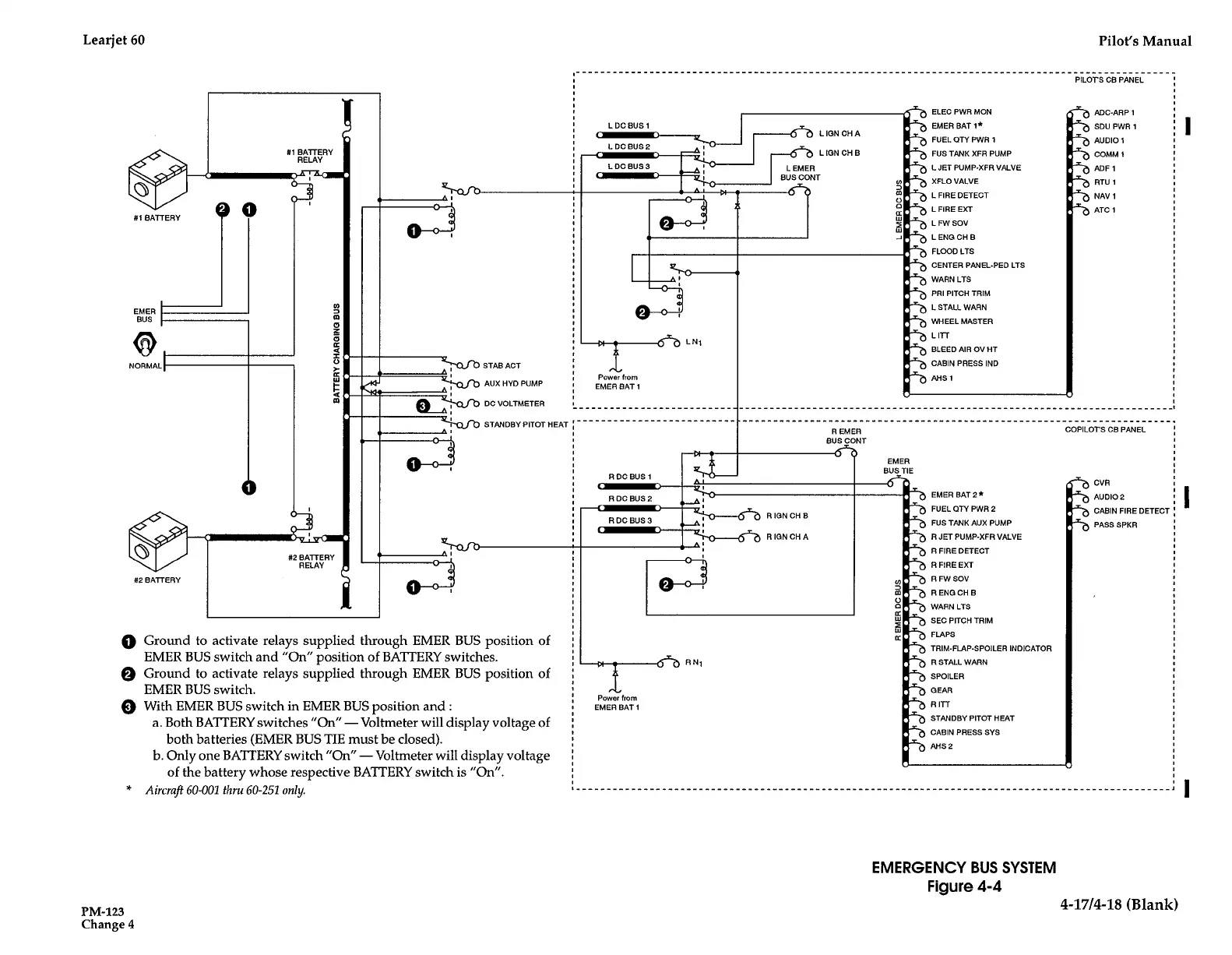
#1
BATTERY
EMER
BUS
NORMAL
#2
BATTERY
0
Ground
to
activate
relays
supplied
through
EMER
BUS
position
of
EMER
BUS
switch
and
"On"
position
of
BATTERY
switches
.
0
Ground
to
activate
relays
supplied
through
EMER
BUS
position
of
EMER
BUS
switch
.
0
With
EMER
BUS
switch
in
EMER
BUS
position
and
a
.
Both
BATTERY
switches
"On"
-
Voltmeter
will
display
voltage
of
both
batteries
(EMER
BUS
TIE
must
be
closed)
.
b
.
Only one
BATTERY
switch
"On"-
Voltmeter
will
display voltage
of
the
battery
whose
respective
BATTERY
switch
is
"On"
.
*
Aircraft
60-001
thru
60-251
only
.
---------------------------------------------------------------------------------------------------
L
DC
BUS
1
Power
from
EMER
BAT
1
R
N1
ELEC
PWR
MON
EMER
BAT
1*
FUEL
OTY
PWR
1
FUS
TANK
XFR
PUMP
L
JET
PUMP-XFRVALVE
XFLO
VALVE
L
FIRE
DETECT
L
FIRE
EXT
L
FW
SOV
L
ENO
CH
B
FLOOD
LTS
CENTER
PANEL-PED
LTS
WARN
LTS
PRI
PITCH
TRIM
L
STALL
WARN
WHEEL
MASTER
L
ITT
BLEED
AIR
OV
HT
CABIN
PRESS
IND
AHS
1
PILOTS
CB
PANEL
i
n
n
ADC-ARP
1
SDU
PWR
1
AUDIO
1
Comm
1
ADF
1
RTU
1
NAV
1
ATC
1
-----------------------------------------------------------------------
______________-pEMER
______________________________-
COPILOT'SCBPANEL
___
BUS
CONT
0
a
CVR
AUD102
r
CABIN
FIRE
DETECT
PASSSPKR
EMER
BUS
TIE
w
EMER
BAT
2
FUEL
CITY
PWR
2
FUS
TANK
AUX
PUMP
R
JET
PUMP-XFR
VALVE
R
FIRE
DETECT
R
FIRE
EXT
R
FW
SOV
R
ENO
CH
B
WARN
LTS
SEC
PITCH
TRIM
FLAPS
TRIM-FLAP-SPOILER
INDICATOR
R
STALL
WARN
SPOILER
GEAR
R
ITT
STANDBY
PITOT
HEAT
CABIN
PRESS
SYS
AHS
2
EMERGENCY
BUS
SYSTEM
Figure
4-4
4-17/4-18
(Blank)

Table of Contents

Related product manuals