EasyManua.ls Logo

Learjet 60 - Page 237

Default Icon
408 pages
Print Icon
To Next Page IconTo Next Page
To Next Page IconTo Next Page
To Previous Page IconTo Previous Page
To Previous Page IconTo Previous Page
Loading...
Learjet
60
Pilot's
Manual
PM-123
Change 4
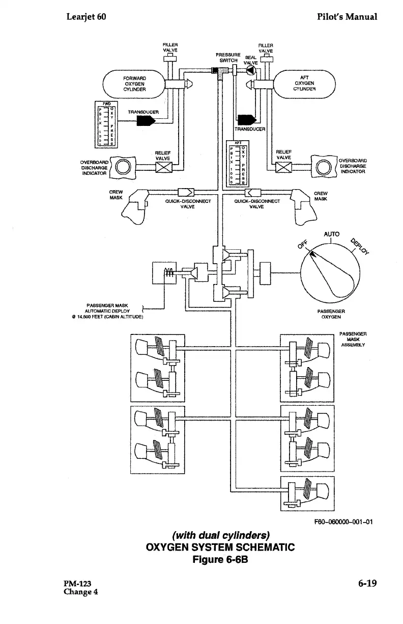
(with
dual
cylinders)
OXYGEN
SYSTEM
SCHEMATIC
Figure
6-6B
F60-060000-001-01
6-19

Table of Contents

Related product manuals