EasyManua.ls Logo

Linde H35D - Special Equipment Sheet 9− Third Auxiliary Hydraulics with Third Joystick, Centre Rear Brake;Tail Light

Linde H35D
268 pages
Print Icon
To Next Page IconTo Next Page
To Next Page IconTo Next Page
To Previous Page IconTo Previous Page
To Previous Page IconTo Previous Page
Loading...
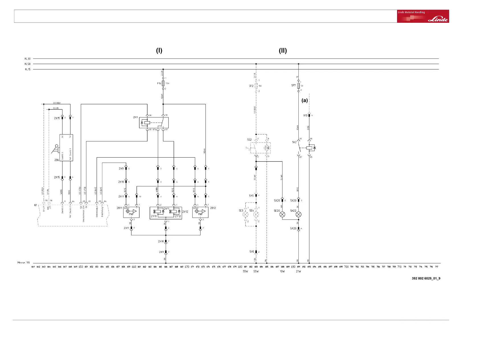
7 Circuit diagrams
Wiring diagram
Special equipment sheet 9− Third auxiliary hydraulics with third joystick, centre rear brake/tail light
252 Operating Instructions 393 807 1001 EN 08/2008

Table of Contents

Related product manuals