EasyManua.ls Logo

Linde H35D - Hydraulic Circuit Diagram; Traction, Working and Steering Hydraulics

Linde H35D
268 pages
Print Icon
To Next Page IconTo Next Page
To Next Page IconTo Next Page
To Previous Page IconTo Previous Page
To Previous Page IconTo Previous Page
Loading...
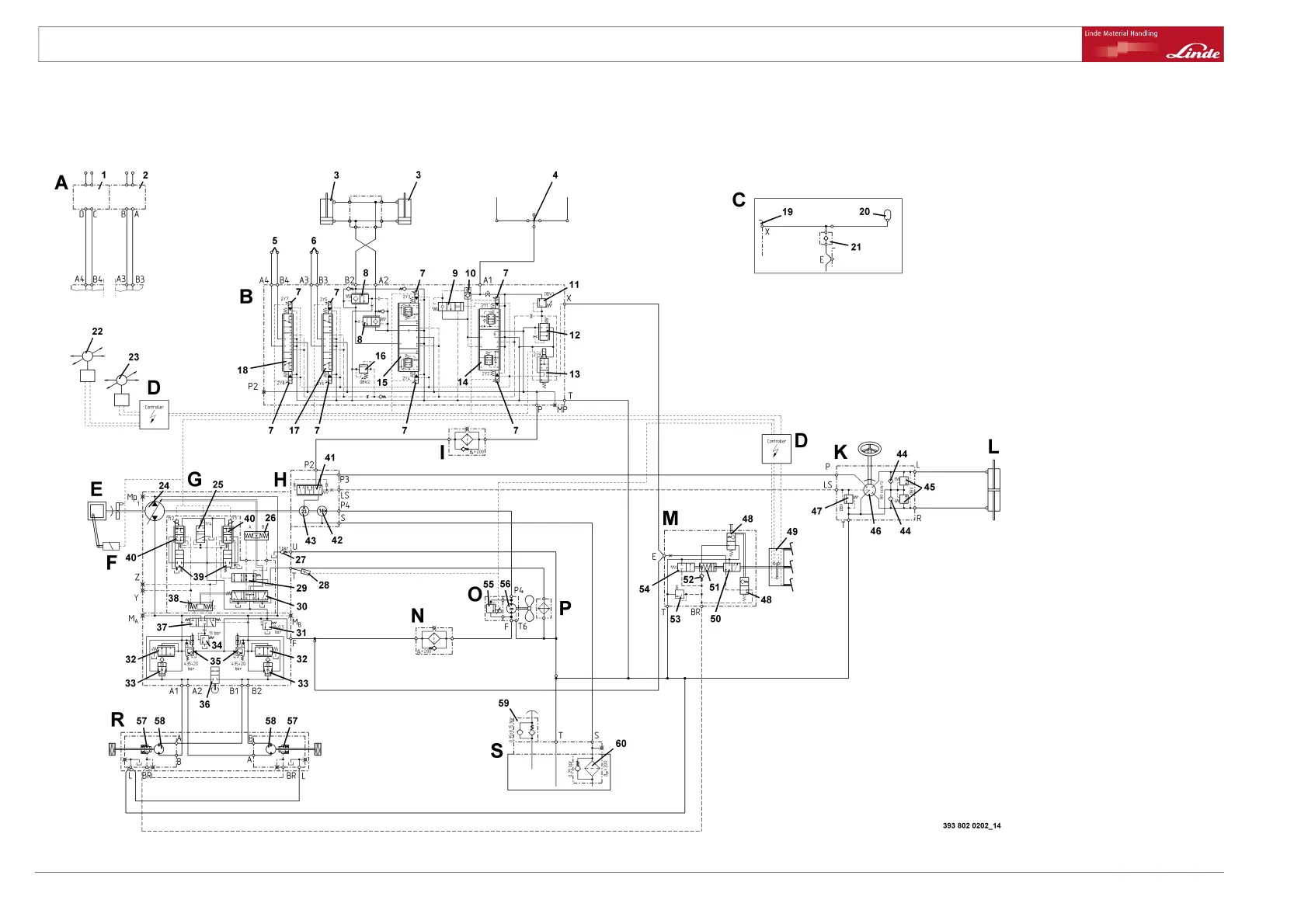
7 Circuit diagrams
Hydraulic circuit diagram
Hydraulic circuit diagram
Traction, working and steering hydraulics
254 Operating Instructions 393 807 1001 EN 08/2008

Table of Contents

Related product manuals