EasyManua.ls Logo

Magnetek 2001-G+M - Page 164

Magnetek 2001-G+M
190 pages
Print Icon
To Next Page IconTo Next Page
To Next Page IconTo Next Page
To Previous Page IconTo Previous Page
To Previous Page IconTo Previous Page
Loading...
IMPULSE•G+Mini Advanced Instruction Manual – March 2014
6-12
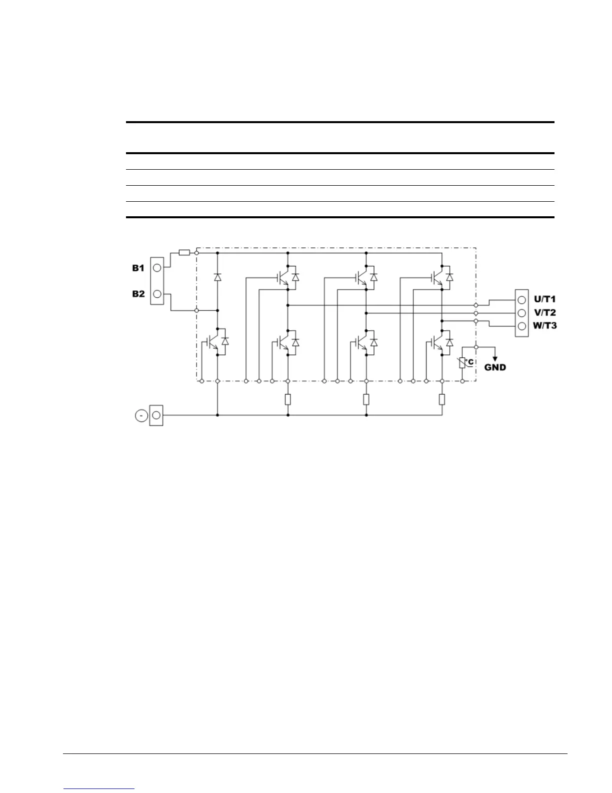
Braking Circuit
Test Equipment - Analog Ohmmeter set to R x 1 scale or digital multimeter set to the diode check.
Figure 6-1: Braking Circuit
Step No.
Ohmmeter
Positive Lead
Ohmmeter
Negative Lead
Expected Reading
(Analog Meter)
Expected Reading
(Digital Meter)
1 Connect to B2 Connect to B1 10 Ohms 0.5 Volts
2 Connect to B1 Connect to B2 Infinite Ohms OL displayed
3 Connect to B2 Infinite Ohms OL displayed
4 Connect to B2 Infinite Ohms OL displayed

Table of Contents

Other manuals for Magnetek 2001-G+M

Related product manuals