EasyManua.ls Logo

Magnetek 2001-G+M - Page 22

Magnetek 2001-G+M
190 pages
Print Icon
To Next Page IconTo Next Page
To Next Page IconTo Next Page
To Previous Page IconTo Previous Page
To Previous Page IconTo Previous Page
Loading...
IMPULSE•G+ Mini Advanced Instruction Manual - March 2014
2-6
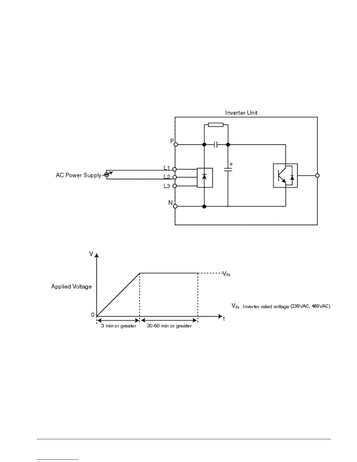
abnormal signs within the inverter. While increasing the variac’s output voltage, the current will
momentarily increase as current is necessary to charge the capacitors.
Once 30 to 60 minutes elapse, remove power and package the drive for shipment.
If any abnormal indications occur during this process, it is recommended that the process be
repeated. Otherwise, this completes the capacitor reforming procedure.
Figure 2-1: Long Time Storage

Table of Contents

Other manuals for Magnetek 2001-G+M

Related product manuals