EasyManua.ls Logo

NMC-WOLLARD 100 - Page 358

NMC-WOLLARD 100
848 pages
Print Icon
To Next Page IconTo Next Page
To Next Page IconTo Next Page
To Previous Page IconTo Previous Page
To Previous Page IconTo Previous Page
Loading...
NMC-WOLLARD 2021Truax Blvd., Eau Claire, WI 54703, Phone (715) 835-3151, Fax (715) 835-6625
M100 Tow Tractor Manual No. 46052
PAGE 120
CHAPTER 4 REPAIR PARTS
APRIL 15, 2012
4 ILLUSTRATED PARTS LIST
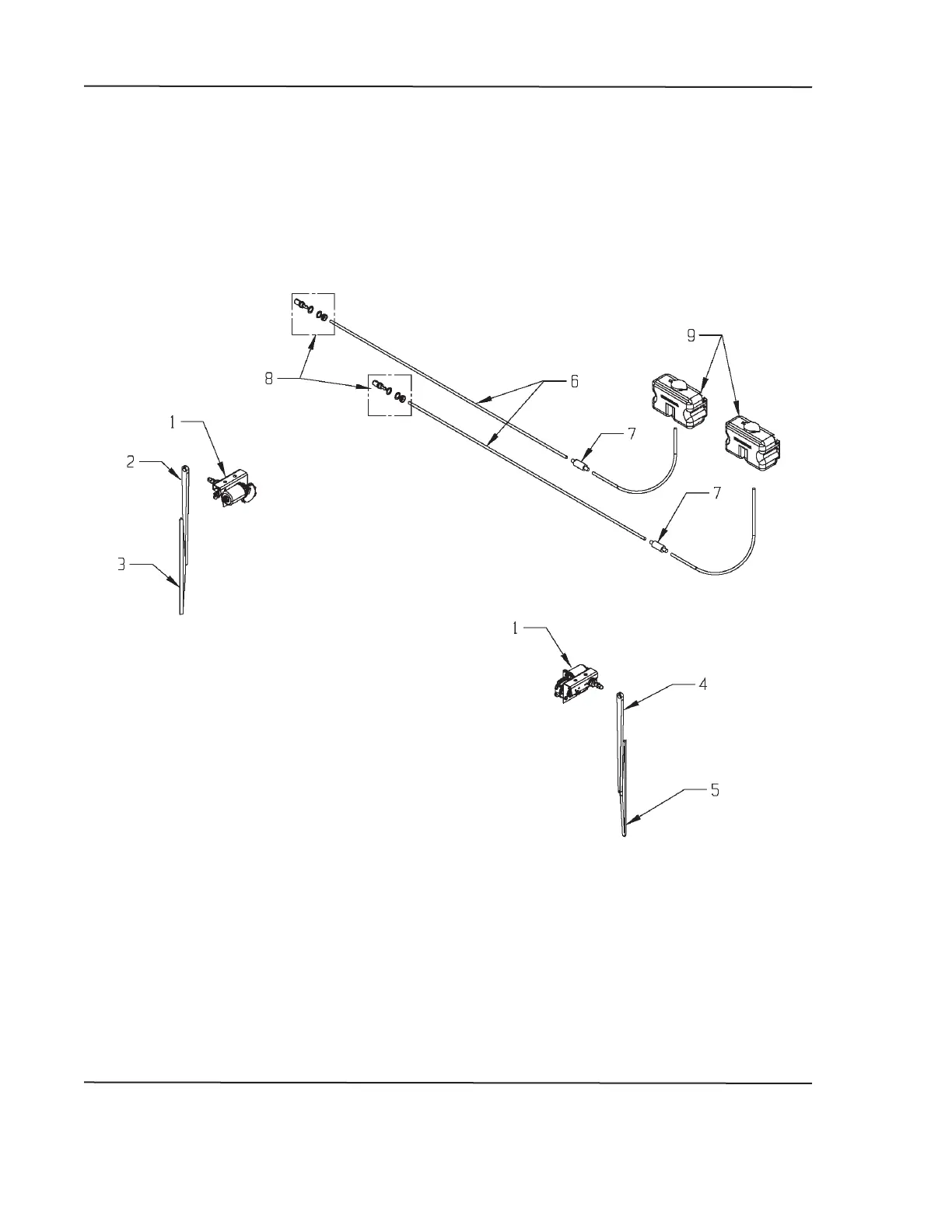
FIGURE 44.
WINDSHIELD WIPERS & WASHERS, FRONT AND REAR
WASHER, FRONT & REAR
FRONT
REAR

Table of Contents

Related product manuals