Home
NMC-WOLLARD
Tractor
100
Page 760 (Brake Power Booster, Bendix)
NMC-WOLLARD 100 - Brake Power Booster, Bendix
848 pages
Manual
Save Page as PDF
To Next Page
To Next Page
To Previous Page
To Previous Page
Loading...
NMC-WOLLARD
2021T
ruax Blvd., Eau Claire, WI 54703, Phone (715) 835-3151, Fax (715) 835-6625
M100 T
ow T
ractor Manual No. 46052
P
AGE 104
CHAPTER
5 MANUF
ACTURER’
S INFORMA
TION
BRAKE POWER
BOOSTER,
BENDIX
BRAKE
POWER BOOSTER,
BENDIX
JANUARY
31, 2007
759
761
Table of Contents
Main Page
Nmc-Wollard
6
Table of Contents
6
Introduction
7
Revision Record
7
Revision Highlights
8
Page Effectivity
15
Configuration
23
Effectivity Code
26
Nmc-Wollard Chapter 1 General Information and Operating Instructions
27
Description
29
Product Safety
29
Safety Decals
30
General Safety Precations
32
Cooling Sytem
34
Description of the Tractor
34
Engine
34
Equipment Description
34
Frame
34
Intended Use
34
Transmission
34
Fuel System
35
Lubrication System
35
Torque Converter
35
Air Cleaner
37
Alternator
37
Battery
37
Current Regulator
37
Electrical System
37
Exhaust System
37
Governor
37
Starter
37
Instrument Panel
38
Lights and Accessories
38
Brake System
44
Rear Axle
44
Steering System - Units with AT542 Transmission
45
Steering System - Units with C6 Transmission
45
Operation
47
Operator's Controls
47
Pre-Operation Check
47
Understand the Controls and Instruments
47
Instruments
48
Operating the Engine
48
Starting the Engine
48
Charging the Battery
49
Hard Starting
49
Engine Performance
51
Jump Starting the Tractor
51
Driving the Tractor
52
Shutting down the Tractor
53
Emergency Stopping
54
Towing the Tractor
54
Rear-Wheel Drive, Two-Wheel Steer, Towing Tractor
55
Specifications and Capabilities
55
Engine, Deutz
56
Engine, Kubota
56
Engine, Perkins
56
Engine, Zenith
56
Engines, Cummins
56
Transmission, Allison
57
Transmission, Gm
57
Brakes
58
Electrical
58
Frame and Body
58
Instrumentation & Controls
58
Standard Equipment
58
Optional Equipment
59
Dimensional Data
60
Shipping
61
Towing the Tractor
61
Day Storage
63
Storage
63
Storage for 90 Days or Longer
63
Removing the Machine from Storage
64
Nmc-Wollard Chapter 2 Maintenance
65
Chapter Contents
69
Servicing
69
Bolt Tightening Data
71
Periodic Maintenance and Inspection
72
Fluids and Capacities and Ambient Temperature Ranges
73
Preventative Maintenance Schedule
74
Coolant Leaks
77
Coolant Level
77
Daily Service
77
Empty Air Cleaner Dust Cup (if Conditions Are Extremely Dusty)
77
Engine Oil Level
77
Fuel Leaks
77
Inspect for Transmission Oil Leaks
77
Lights
77
Brake Pedal Free Play
78
Cummins Diesels - Specific Procedures
78
Rear Axle Oil Leaks
78
Tire Condition and Pressure
78
Water Separator
78
Change Engine Oil and Oil Filter
79
Clean Crankcase Inlet Air Cleaner
79
Every 100 Operating Hours - Gas Models
79
Every 250 Operating Hours or 3 Months
79
Transmission Oil
79
Inspect Drive Shaft, Steering, Suspension, and Front Axle Components
80
Lubricate Grease Fittings
80
Inspect Brakes
81
Inspect Muffler, Exhaust, and Tail Pipe
82
Instructions for Cleaning Spark Arrester/Exhaust System
82
Change Engine Oil and Oil Filter - Diesel
83
Check Air Cleaner Restriction
83
Change Fuel Filter Element - Perkins
84
Clean Fuel Pump Strainer - Perkins
84
Replace Air Cleaner Element
84
Replace Spark Plugs - Gas Models, Zenith
84
Batteries
85
A Sound Battery Is a Must
87
Alternator
87
Voltmeter
87
Belt Tension and Condition
88
Chapter 2 Maintenance April 15, 2012
88
Every 500 Operating Hours or 6 Months
88
Installing or Adjusting Belts
88
Inspect Linings, Pads, Calipers, Wheel Cylinders, Etc
89
Rear Axle Oil Level Check
89
Every 1000 Hours or 1 Year
92
Inspect Wiring, Battery, and Cables
92
Toe-In Adjustment
92
Wheel Bearings
93
Transmission - Allison
103
Shift Inhibitor Adjustment
111
Adjust Valves
112
Change Coolant
112
Changing Axle Oil
112
Every 2500 Operating Hours or 2 Years
112
Inspect Injectors - Diesels
112
Bleeding the Brakes
113
Bleeding the Power Steering System
115
Brake Pedal Adjustment
116
Low Oil/High Temp. Opt. Gauges - Set for Cummins Datcon
116
Lpg Maintenance
119
Problem Diagnosis
123
Steering System Overview - Used with C6 Transmission
123
Trouble Shooting
123
Before Servicing the Steering System
124
Power Steering System - Used with At545 Transmission
124
System Pressure Test
124
Diagnostics, Steering and Brakes
126
Hydraulic Leak Test
126
Power System Test
126
Brake System Trouble Shooting Chart
127
Check Valve
131
Equalizer Valve
131
Stoplight Switch
131
Brake Lines and Fittings
132
LPG System Trouble Shooting
133
Optional Lpg Fuel System
133
Rear Axle
153
Removal and Installation
153
Removal of Rear Axle with Spring Suspension
153
Removal of Rear Axle Without Springs
153
Disassembly of Differential and Drive Pinion
154
Cleaning and Inspection
155
Disassembly of Wheel End
155
Reassembly of Wheel End
156
Repair
156
Reassembly of Differential
158
Installation of Rear Axle with Springs
159
Installation of Rear Axle Without Springs
159
Drive Shaft
161
Installation
161
Rear Suspension
161
Removal
161
Engine/Transmission Removal
162
Installation
162
Radiator
162
Removal
162
Transmission and Torque Converter Removal
164
Transmission and Torque Converter Installation
166
Cleaning and Inspection
168
Fuel Tank
168
Removal and Disassembly
168
Reassembly
169
Repair or Replacement
169
Installation
170
Removal
170
Steering Gear Assembly
170
Installation
171
Power Steering Pump
171
Removal
171
Steering Column Assembly
171
Front Suspension
172
Installation
172
Removing the Leaf Springs
172
Cleaning and Inspection
173
Front Axle Assembly
173
Installation
173
Removal
173
Assembly
174
Disassembly
174
Installation
175
Setting Stops on New Axle
177
Setting Pitman Arm Stops
178
Alternator
179
Drag Link
179
Installation
179
Removal
179
Repairs
181
Universal Joint Repair
181
Wheels and Tires
182
Disassembly
183
Removal
183
Assembly
184
Inspection and Cleaning
184
Repair
184
Installation
185
Installation
188
Rear Axle Wheel Hub Seal Replacement
188
Rear Suspension
188
Removal
188
Adjustments
190
Transmission Neutral/Backup Switch
190
Overhaul
193
Cleaning
195
General Repair
195
Guidelines for Repairing the Tractor
195
Removal and Disassembly
195
Special Tools
195
Bearings
196
Frame, Engine, and Transmission
196
Gears
196
Inspecting Parts
196
Metal Parts
196
Repair and Replacement
196
Structural Parts
196
Using Compressed Air
196
Engine Repair and Maintenance
197
Friction Pad Removal and Installation (Front)
197
Front Brakes
197
Gaskets and Seals
197
Ordering Parts
197
Reassembly and Installation
197
Wiring
197
Caliper Repair (Front)
199
Disc Replacement (Front)
199
Rear Brakes
200
Rear Drum Brake Removal
200
Adjustment
201
Cleaning and Inspection
201
Rear Drum Brake Assembly and Installation
202
Rear Wheel End Installation
203
Cleaning and Inspection
204
Disassembly
204
Removal
204
Wheel Cylinders
204
Assembly
205
Installation
205
Power Booster/Master Cylinder Assembly
206
Removal
206
Installation
207
Repair
207
Inspecting and Lubricating Brake Assembly
208
Parking Brake (C6 Transmission)
208
Reassembly
208
Removing Brake Shoes and Shoe Linings
208
Repair and Replacement
208
Special Tools for Tire Changing
210
Nmc-Wollard Chapter 4 Repair Parts
211
How to Use the Repair Parts Chapter
217
List of Vendors
219
Numerical Part Number List
223
Illustrated Repair Parts
239
Axle- Front-Hydraulic Steering
242
Axle-Front Spring
244
Axle, Rear
248
Axle, Rear, Repair
250
Brake C6 - Parking
271
Brake, Park Lever Assembly
274
Cab Assembly, Option
354
Cab, Doors, Canvas Option
360
Cab, Doors, Option
364
Cooling, Cummins 4B4.5Na/C6 Pitman Arm and Hyd Steer
440
Cooling System, Cummins 4B4.5Na/C6
441
Cooling System, Cummins Qsb4.5/At
482
Cooling System, Deutz Bf4M2012E/At545
544
Nmc-Wollard Chapter 5 Manufacturer's Information
657
Can Display Manual
658
Chapter 5 Manufacturer's Information
658
Figure 1-1: Menu Scrolling and Option Selection
665
Figure 1-2: Blinking Bar Cursor
666
Figure 1-3: Accessing the Main Menu
667
Figure 1-4: Accessing and Resetting Maintenance Hours and Vehicle Trip Logs
668
Figure 1-5: Fault Notification and Information Screens
669
Figure 1-6: Viewing Active Faults
670
Figure 1-7: Warning Notification and Information Screens
671
Figure 1-8: Viewing Active Warnings
672
Figure 1-9: Faults Stored Information Screens
673
Figure 1-10: Alarms Menu Functions
675
Figure 1-11: Enabling/Disabling Alarms
676
Figure 1-12: Alarm Screen Details
677
Figure 1-13: Viewing Alarms
677
Figure 1-14: Add & Edit Alarm CAN Parameter Screen Details
678
Figure 1-15: Menu Prompt Sequence with no Configured Alarms
679
Figure 1-16: Menu Prompt Sequence with Previously Configured Alarms
680
Figure 1-17: Editing an Alarm
681
Figure 1-18: Deleting an Alarm
682
Figure 1-19: Muting Faults, Warnings & Alarms
683
Figure 1-20: Setup Menu Functions
684
Figure 1-21: Setting Backlight Intensity
685
Figure 1-22: Setting Units
686
Figure 1-23: Popup Fault, Warning & Alarm Screens
687
Figure 1-24: Setting Popup Status
688
Figure 1-25: Display Menu
689
Figure 1-26: 1 and 2 CAN Parameter Display Formats
690
Figure 1-27: Setting 1 or 2 Parameter Display Lines
690
Figure 1-28: Setting LCD Contrast
691
Figure 1-29: Video Mode Formats
692
Figure 1-30: Setting LCD Background Color Scheme (Video Mode)
693
Figure 1-31: Setting Hours or Miles for Main Menu Display
694
Figure 1-32: Setting Alarm Output Pin Status
695
Figure 1-33: Viewing Firmware Revision
696
Control Cables
702
Bostrom Seat, T-Bar
704
Automatic Transmission Diagnosis
713
Transmission Service
735
Automatic Transmission Service
736
C6 Transmission Parts
746
Case, Coverter, Extension Housing
746
Intermediate Servo and Band
749
Valve Body Assembly
750
Throttle and Manual Control Linkage
752
Clutches, Gear and Shafts
754
Flywheel and Oil Filler
759
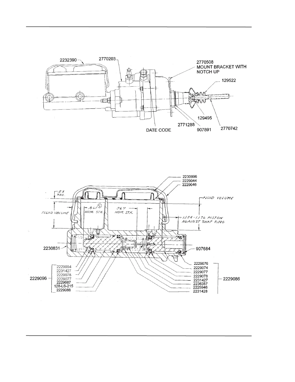
Brake Power Booster, Bendix
760
53181,52598 Newage Axle
777
Related product manuals
NMC-WOLLARD 140
585 pages
NMC-WOLLARD MB-4 200-DF
321 pages
NMC-WOLLARD M60
11 pages