EasyManua.ls Logo

NMC-WOLLARD 100 - Throttle and Manual Control Linkage

NMC-WOLLARD 100
848 pages
Print Icon
To Next Page IconTo Next Page
To Next Page IconTo Next Page
To Previous Page IconTo Previous Page
To Previous Page IconTo Previous Page
Loading...
NMC-WOLLARD 2021Truax Blvd., Eau Claire, WI 54703, Phone (715) 835-3151, Fax (715) 835-6625
M100 Tow Tractor Manual No. 46052
PAGE 96
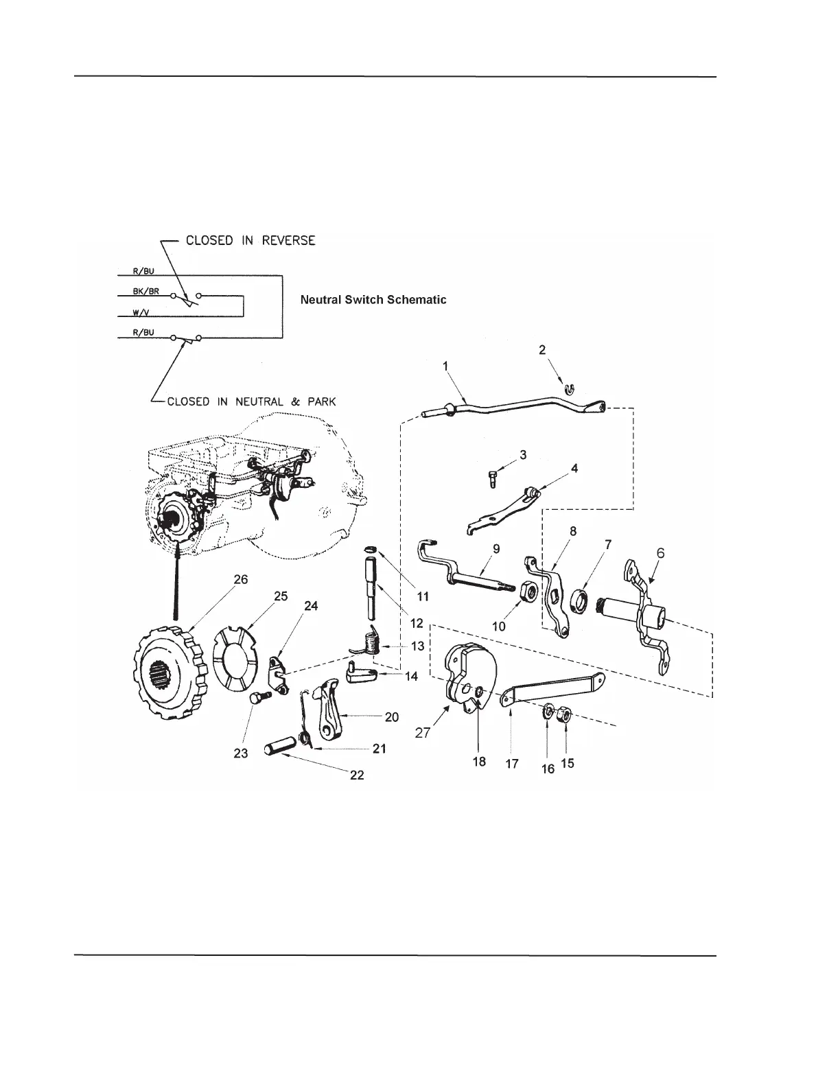
CHAPTER 5 MANUFACTURER’S INFORMATION
C-6 TRANSMISSION PARTS
FIGURE 4
THROTTLE AND MANUAL CONTROL LINKAGE
JANUARY 31, 2007

Table of Contents

Related product manuals