EasyManua.ls Logo

NMC-WOLLARD 100 - Page 580

NMC-WOLLARD 100
848 pages
Print Icon
To Next Page IconTo Next Page
To Next Page IconTo Next Page
To Previous Page IconTo Previous Page
To Previous Page IconTo Previous Page
Loading...
NMC-WOLLARD 2021Truax Blvd., Eau Claire, WI 54703, Phone (715) 835-3151, Fax (715) 835-6625
M100 Tow Tractor Manual No. 46052
PAGE 342
CHAPTER 4 REPAIR PARTS
4 ILLUSTRATED PARTS LIST
APRIL 15, 2012
4 ILLUSTRATED PARTS LIST
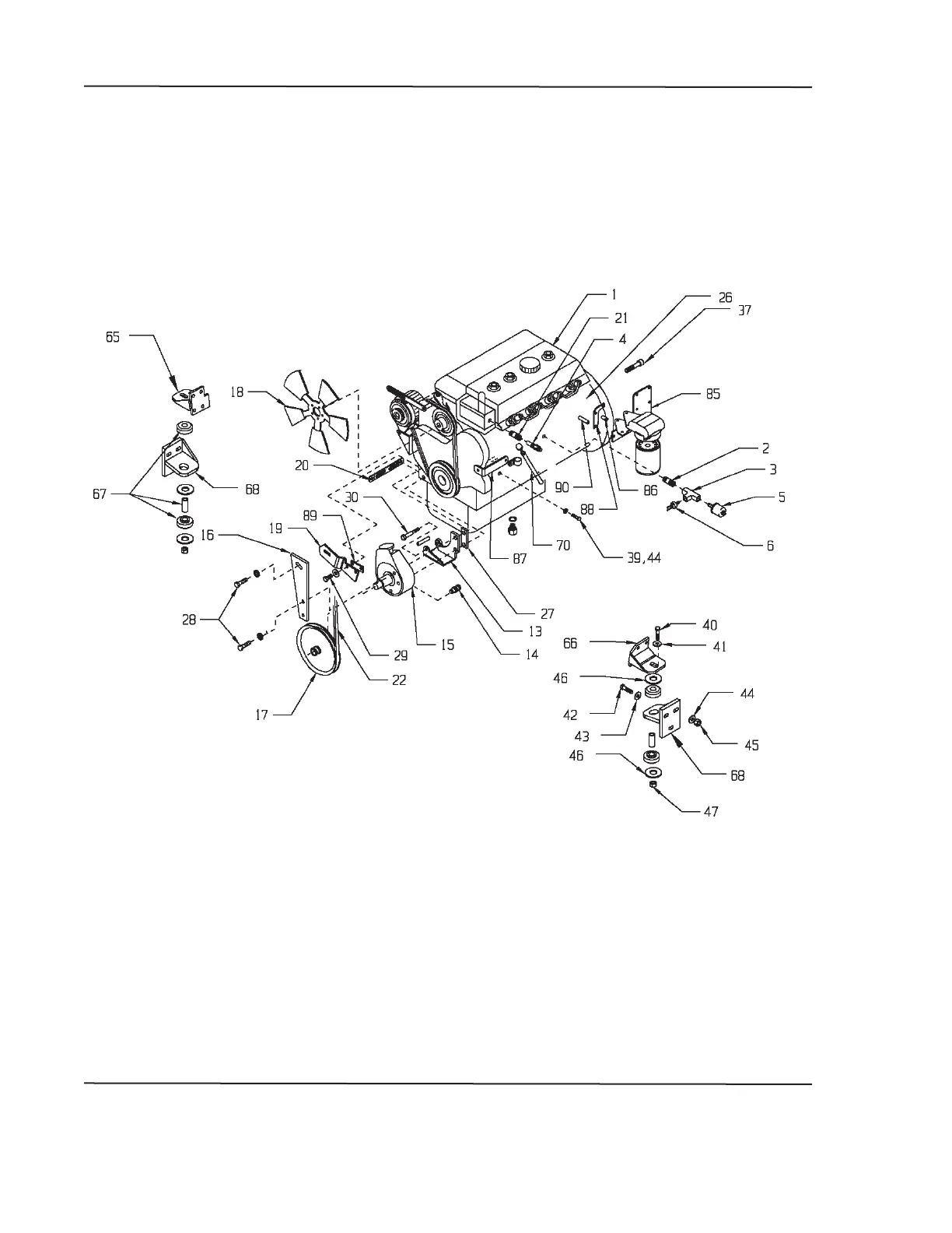
FIGURE 143.
ENGINE TRANSMISSION MOUNTING, PERKINS 1104 TURBO/C6
1 OF 2

Table of Contents

Related product manuals