EasyManua.ls Logo

Omron MicroHAWK - Mounting Specifications

Omron MicroHAWK
378 pages
Print Icon
To Next Page IconTo Next Page
To Next Page IconTo Next Page
To Previous Page IconTo Previous Page
To Previous Page IconTo Previous Page
Loading...
MicroHAWK Engine Integration Guide 3-3
Integration
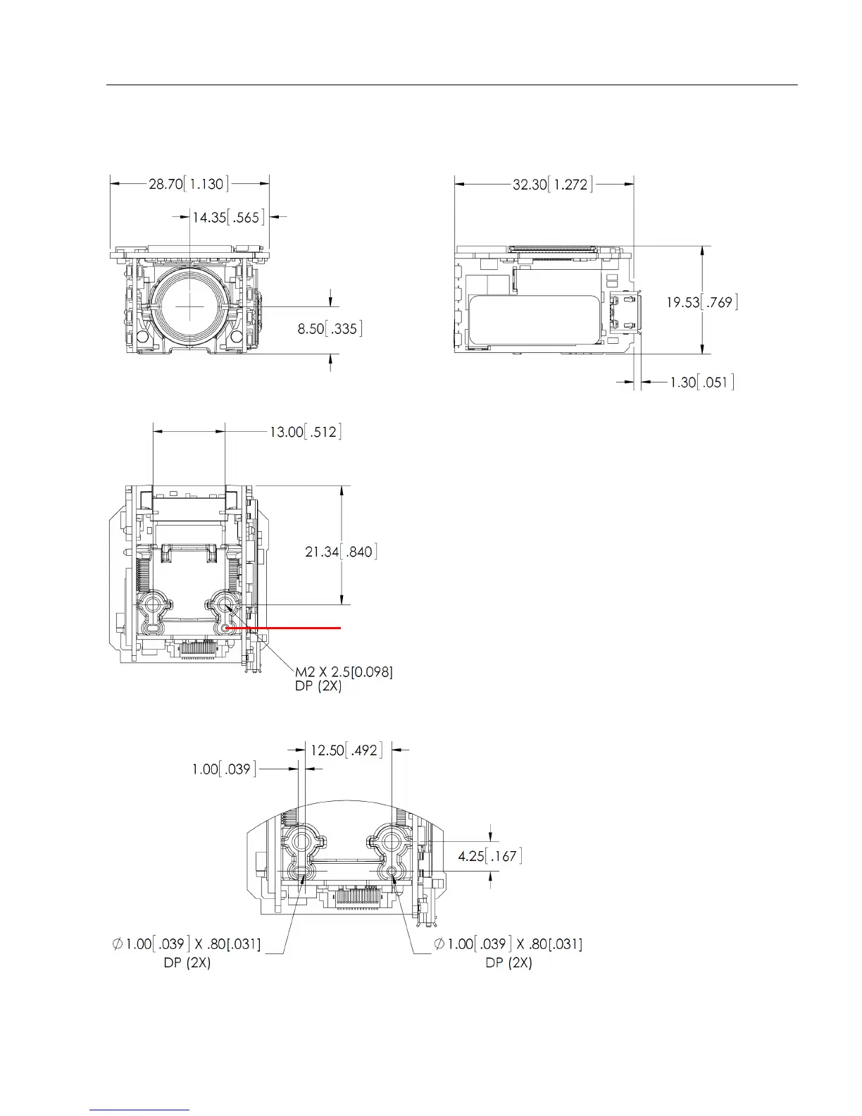
Mounting Specifications
Front Side
Base
Detail A (Base)
See Detail A (Base)

Table of Contents

Related product manuals