EasyManua.ls Logo

Parker SPD-N Series - Page 86

Parker SPD-N Series
192 pages
To Next Page IconTo Next Page
To Next Page IconTo Next Page
To Previous Page IconTo Previous Page
To Previous Page IconTo Previous Page
Loading...
Parker Hannifin S.p.A Divisione S.B.C. user’s manual TWIN-N and SPD-N
85
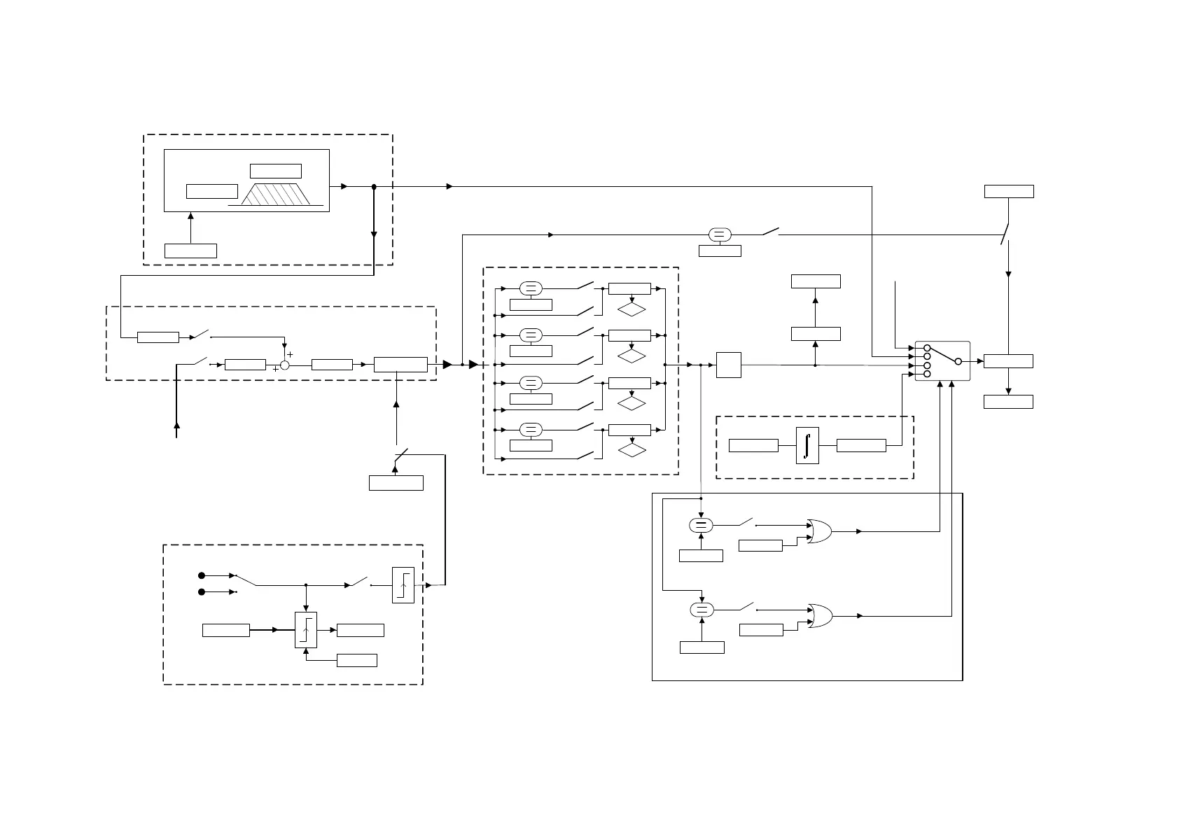
Din 0
Zero
encoder
Pr121:120
Pr111:110
Pr113:112
Pr123:122
Pr117:116
Pr125:124
b70.14
Master axis
phase captured
Master axis
position
Master module
Master position
Master position
offset
Positive edge
detector
Master axis captured
b70.0 b150.8
b150.3
b150.6
Master axis
phase
Master quota and
master rephasing
Master reference
Master
position
Pr169:168
TAB0
Pr119:118
Pr109
Pr108
Target position
Acceleration
Speed
CAM data
TAB1
TAB2
TAB3
Pr171:170
Pr173:172
Pr175:174
b180.0
b180.4
b180.1
b180.5
b180.2
b180.6
b180.3
b180.7
b181.0
b181.1
b181.2
b181.3
Positioning
Select CAM1 table
Pr115:114
Pr135:134
Slave axis
module
Position slave
Pr100 Pr101
Speed
Ramp time for
Pr100
Speed mode
Engage/disengage
cam phase
Pr115:114
Slave axis
module
Pr61:60
Regulator position
reference
Pr102
Pr127:126
Pr129:128
b150.14
Release master
axis phase
Immediate electronic cam
engaging
Set Pr102
Set Pr102
b150.15
Engage master axis
phase
b150.12
b150.13
No source
Master axis position
Pr113:112
b181.12
Pr185:184
Positive edge
detector
Immediate electronic cam
release
Change of the value slave axis
module in phase
Pr169:168
OPM14

Table of Contents

Related product manuals