EasyManua.ls Logo

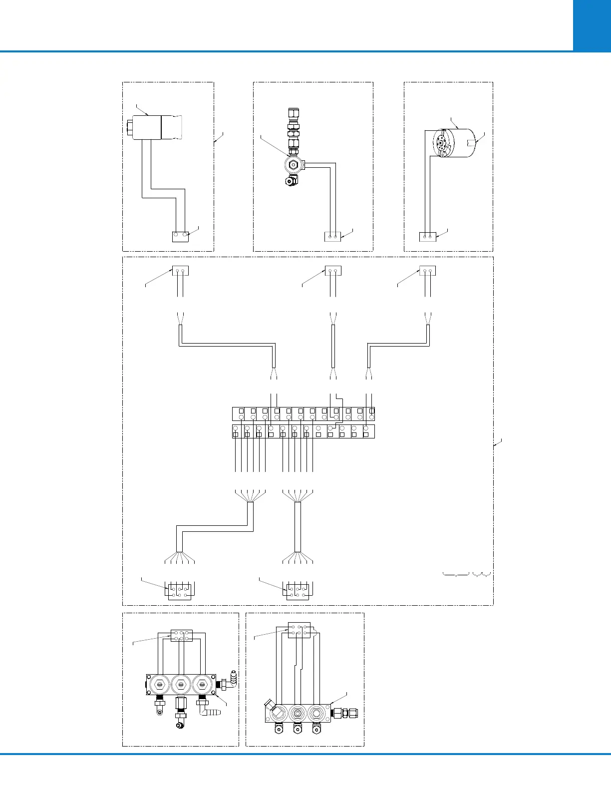
parr 6400 - Figure 13-25: Solenoid Harness Wiring Diagram

Default Icon
100 pages
Print Icon
To Previous Page IconTo Previous Page
To Previous Page IconTo Previous Page
Loading...
Parts Lists & Drawings
6400
13
103
Figure 13-25: Solenoid Harness Wiring Diagram
A1435DD_S13 R17
A1447DD
WATER SOLENOID
ASSEMBLY
1447E CONNECTOR
W/ (6) 1164E
FEMALE SOCKETS
12"
12"
12"
12"
12"
12"
3
6
5
2
4
1
1448E
CONNECTOR
W/ (6) 1164E
FEMALE SOCKET
13"
13"
13"
13"
13"
13"
A1251DD
OXYGEN SOLENOID
ASSEMBLY
1
2
36
5
4 1
1448E CONNECTOR
W/ (6) 1163E
MALE CONTACT
4
5
6
1
3
2
BLACK
RED
YELLOW
GREEN
ORANGE
BROWN
1
2
626DD PLUG
W/ (2) 1164E
FEMALE CONTACT
RED
BLACK
GREEN
YELLOW
ORANGE
BROWN
RED
BLACK
BLACK
BROWN
GREEN
ORANGE
RED
YELLOW
RED
ORANGE
YELLOW
BROWN
BLACK
GREEN
1447E
CONNECTOR
W/ (6) 1163E
MALE CONTACT
1
2
3
5
4
6
RED
BLACK
RED
BLACK
BLACK
RED
BLACK
RED
2
1
2
1
BLACK
RED
627DD RECEPTACLE
W/ (2) 1164E
MALE CONTACT
626DD PLUG
W/ (2) 1163E
MALE CONTACT
J3 J2
A2140E
I/O BOARD
12
11
10
9
12
11
10
8
7
1
2
3
4
5
6
7
6
5
8
4
9
3
2
1
A2012E
SOLENOID HARNESS ASSEMBLY
WIRE#
1
2
3
4
5
6
7
8
9
10
11
12
13
14
17
18
19
20
GAGE
22
22
22
22
22
22
22
22
22
22
22
22
22
22
22
22
22
22
COLOR
RED
BLACK
GREEN
YELLOW
BROWN
ORANGE
RED
BLACK
RED
BLACK
BROWN
ORANGE
GREEN
YELLOW
RED
BLACK
BLACK
RED
TOTAL
LENGTH
10"
10"
10"
10"
10"
10"
10"
10"
10"
10"
10"
10"
10"
10"
10"
10"
15"
15"
XA2202L
XA2202L
XA2206LZ
XA2202L
XA2206LZ
END #1
1163E
1163E
1163E
1163E
1163E
1163E
1163E
1163E
1163E
1163E
1163E
1163E
1163E
1163E
1164E
1164E
1163E
1163E
LOC#1
1448E/P1
1448E/P4
1448E/P2
1448E/P5
1448E/P6
1448E/P3
626DD/P1
626DD/P2
1447E/P4
1447E/P1
1447E/P5
1447E/P2
1447E/P3
1447E/P6
627DD/P1
627DD/P2
626DD/P2
626DD/P1
END#2
STRIP .25
STRIP .25
STRIP .25
STRIP .25
STRIP .25
STRIP .25
STRIP .25
STRIP .25
STRIP .25
STRIP .25
STRIP .25
STRIP .25
STRIP .25
STRIP .25
STRIP .25
STRIP .25
STRIP .25
STRIP .25
LOC#2
1410E/P12 (J3)
1410E/P1 (J2)
1410E/P11 (J3)
1410E/P2 (J2)
1410E/P10 (J3)
1410E/P3 (J2)
1410E/P9 (J3)
1410E/P4 (J2)
1410E/P8 (J3)
1410E/P5 (J2)
1410E/P7 (J3)
1410E/P6 (J2)
1410E/P6 (J3)
1410E/P7 (J2)
1410E/P9 (J2)
1410E/P4 (J3)
1401E/P1 (J3)
1410E/P12 (J2)
A1268DD
STIRRER MOTOR
ASSEMBLY
627DD
RECEPTACLE
W/(2) 1164E
FEMALE SOCKET
1
2
16"
16"
11"
2
1
626DD
CONNECTOR
W/(2) 1163E
MALE SOCKET
11"
A1456DD
RINSE WATER
SOLENOID ASSEMBLY
1
8"
8"
2
627DD RECEPTACLE
W/(2) 1163E MALE CONTACTS
197HW
VALVE
SOLENOID
24VDC
1/8 NPTF
A1276DD
WATER SOLENOID ASSY
1606DD
GROUNDING STRAP

Table of Contents

Related product manuals