EasyManua.ls Logo

parr 6400 - Electrical and Plumbing Schematics

Default Icon
100 pages
Print Icon
To Next Page IconTo Next Page
To Next Page IconTo Next Page
To Previous Page IconTo Previous Page
To Previous Page IconTo Previous Page
Loading...
Parts Lists & Drawings
13
94
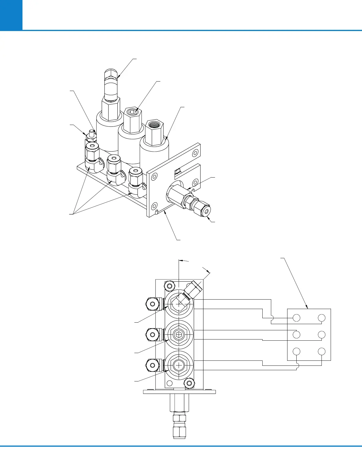
Figure 13-12: A1251DD Oxygen Solenoid Assembly
A
1251
DD_S
1
R
9
180VB
MALE ELBOW
1/8T-1/8NPTM
79HW2BB
PLUG
1/8NPTM
1240DD
3-STATION OXYGEN
MANIFOLD
527VB
RESTRICTOR
1/8NPTM-F
243VB2
MALE CONNECTOR
1/8T-1/8NPTM
1346DD
MTG BRACKET
180VB
MALE ELBOW
1/8T-1/8NPTM
79HW2BB PLUG
1/8 NPT
(LOCATED ON END
HIDDEN FROM VIEW)
(2) TN1632HL
8-32 KEPS NUT
45° REF
BOMB FILL
SOLENOID
BOMB SEAL
SOLENOID
BOMB RELEASE
SOLENOID
41
25
63
1448E CONNECTOR
W/ (6) 1164E
FEMALE SOCKETS
13"
13"
13"
13"
13"
13"
13"

Table of Contents

Related product manuals