EasyManua.ls Logo

PCC D3400 - Page 18

Default Icon
335 pages
Print Icon
To Next Page IconTo Next Page
To Next Page IconTo Next Page
To Previous Page IconTo Previous Page
To Previous Page IconTo Previous Page
Loading...
SECTOR
INDEX
CClINT
SECIOR
HE
CIRONICS
0 CONIRlJL
SIGNALS
DISI::
DRIVE
FUNCIION
CONIlCL
tLECTIONICS
L-----------J.;ONTROL
SIGN
...
LS
REMOVABLE
DISK--_
CAIIRIOGE
HEAD
Sf
LEO
WRIlE
ELEORONKS
IIfAD
ELECTRONICS
CLOCK
0
...
1
...
POSITIONER
SPINDLE
SPUD
CONTROL ElECTRONICS
MOTOR
TRANSDUCER
______
../
POWEl
SUPPL
Y
-------------------------~--POWf.
LINE
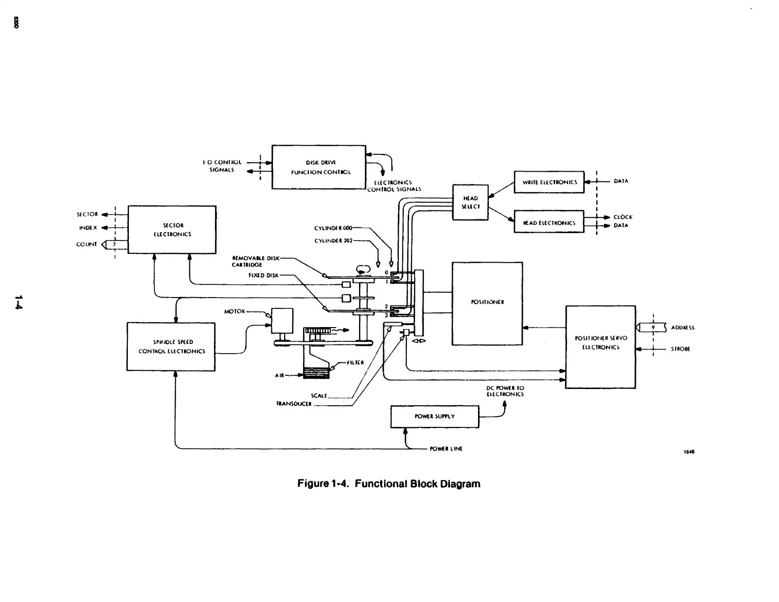
Figure 1-4. Functional Block Diagram
DC
powER
TO
ElECTRONICS
POSITIONER
SUVO
ElECTRONIC>
1648

Table of Contents