EasyManua.ls Logo

PCC D3400 - Page 301

Default Icon
335 pages
Print Icon
To Next Page IconTo Next Page
To Next Page IconTo Next Page
To Previous Page IconTo Previous Page
To Previous Page IconTo Previous Page
Loading...
H
-
G
-
F
-
E
+
o
-
c
-
B
A
I
7
I
6
I
5
+
4
J403
NO
KEY
r--
J
r-----------------------------------------------~__;
I
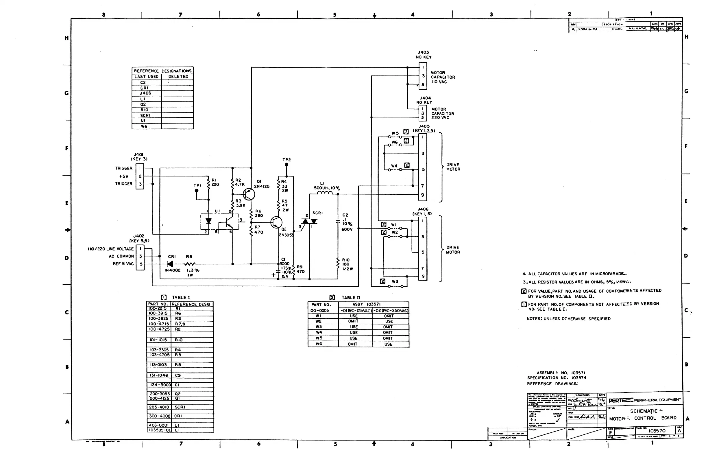
REFERENCE DESIGNATIONS
LAST
USED
DELETED
C2
CRI
J406
LI
Q2
RIO
seRI
UI
W6
J401
IKEY
31
--
TRIGGER
1-
+SV
2
TRIGGER
3
....-
--
TPI
L
RI
220
TP2
~R2
QI
:
4.7K
2N412S
~
<
0'
>~K
~47
LI
500UH.10cv..
I U I
5~
R6
~
2W
,-
-
---
"""1
390
2 SCRI
i
~,
~
t----+ltP
~
Ly
--6
-4r-
1
>
:;0
~
Q2
~
I
'J402
L-f--------~
2N30~
rKEY
~I
r--
'10/220
UNE
VOLTAGE
1--
AC
COMMON
3
t-+-..
CRI
R8
CI
REF 8
VAC
5 t-+--+---jll..oIII
...
--~
...
W'-----------~--
........
..------__t3000
'--
1~:002
·'.3
% +75%
IW
+
!;~~~
R9
470
C2
.1
10cv..
600V
RIO
100
112W
r----------+--~
3
~5
MOTOA
CAPACITOR
110
VAC
'--
J404
NO
KEY
I MOTOR
J CAPACITOR
t--------------I5
220
VAC
J405
W 5
[gl
I
KE!!.:3.9)
..,
~
....
I
~~~
t---------4
3
5
7
9
'---
~
J406
(KEY
I,
5)
----'
..,
[g]
WI
I
m-wi:-J
:=-0---
1'<
3
-
5
7
9
m
~:j
-
~
DRIVE
MOTOR
>-
DRIVE
MOTOR
(!)
TABLE
1
o
TABLED
PART
NO.
REFERENCE
DESIG
10Q-221!)
RI
100-3915
R6
100-3925
R3
100-4715
R7.
9
100-4725
R2
101-1015
RIO
103-3305
R4
103-4705
RS
113-0103
R8
131-1046
C2·
134-3000
CI
200-3053
Q2
200-4125
QI
205-4010
SCRI
300-4002
CRI
403-0001
UI
103585-0L
LI
-
-aca.-r-
I
7
I
6
I
PART
NO.
100-0005
WI
W2
W3
W4
W5
Wi
5
ASSY
103571
-01 C90-125vAe
1
-02
(190 - 250VA¢)
USE
OtJIIT
OMIT
USE
USE
OMIT
USE
OMIT
USE
OMIT
OMIT
USE
4
I
3
I
3
I
2
I
1
I
4.
ALL
~APACITOR
VAWES ARE
IN
MICROFARADS.-·
3.ALL
RESISTOR
VALUES
ARE IN OHMS,
5%,1/4W.'.'.
o
FOR
VALUE,PART
No.AND
USAGE
OF
COMPONEENTS AFFECTED
BY VERSION NO. SEE
TABLE n.
m
FOR
PART
NO.OF COMPONENTS
NOT
AFFEcTE:!.D
BY
VERSION
NO.
SEE
TABLE
f.
NOTES: UNLESS OTHERWISE SPE<;JFIED
ASSEMBLY
NO.
103571
SPECIFICATION NO.
103574
REFEREI\ICE DRAWINGS:
SCHEMATIC'
--'~J~
~h
MOTOF,=. CONTROL
8Qb.RD
~
0Cl1OW'G
Nl.
1-
F'I~
I
103570
A
ICN..I
__
DO
JCI'T
SCALI
IM'G
1»81'
,
fII
,
1
2
1
H
-
G
F
E
o
c
-
B
A

Table of Contents