EasyManua.ls Logo

PCC D3400 - Page 302

Default Icon
335 pages
Print Icon
To Next Page IconTo Next Page
To Next Page IconTo Next Page
To Previous Page IconTo Previous Page
To Previous Page IconTo Previous Page
Loading...
D
c
A
7
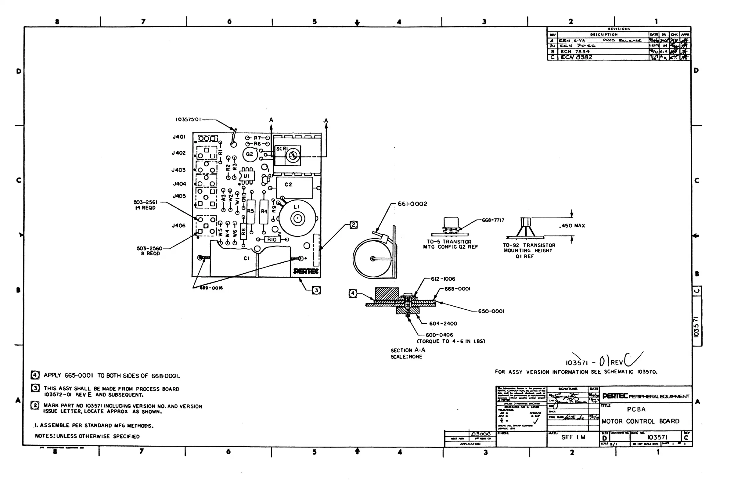
!S03-256I
14
REQD
103575-01
J"OI
J"02
J403
J404
~
APPLY
665-0001
TO
BOTH
SIDES
OF
668-0001.
~
THIS
ASSY
SHALL
BE
MADE
FROM
PROCESS
BOARD
103572
-01
REV E
AND
SUBSEQUENT.
(!) MARK
PART
NO
103571
INCLUDING
VERSION
NO.
AND
VERSION
ISSUE
LETTER. LOCATE APPROX
AS
SHOWN.
.1.
ASSEMBLE
PER
STANDARD
..
FG
METHOOS.
NOTES: UNLESS OTHERWISE SPECIFIED
7
6
5
A
-A
6
5
4
3
2
.661-0002
,
~~-m7
L,
___
."_S_O,..MAX
TO-S
TRANSITOR +
+
MTG
CONFIG
Q2 REF
TO-92
TRANSISTOR
MOUNTING
HEIGHT
-1006
668-0001
600-0406
650-0001
(TORQUE
TO
4 - 6
IN
LBS)
QI
REF
a'VISIONS
DIIC."TION
PIiGC> cz......_.c.
SECTION
A-A
SCALE:
NONE
IO~71
- 0 )REVV
1
FOR
ASSY VERSION INFORMATION
SEE
SCHEMATIC 103570.
.ll3ooo
IHI:
,.~CIN
3
.....-
Wi
SEE
LM
2
D
c
c

Table of Contents