EasyManua.ls Logo

Planmeca Compact i5 - Over-the-patient delivery with hanging-tube instruments

Planmeca Compact i5
326 pages
Print Icon
To Next Page IconTo Next Page
To Next Page IconTo Next Page
To Previous Page IconTo Previous Page
To Previous Page IconTo Previous Page
Loading...
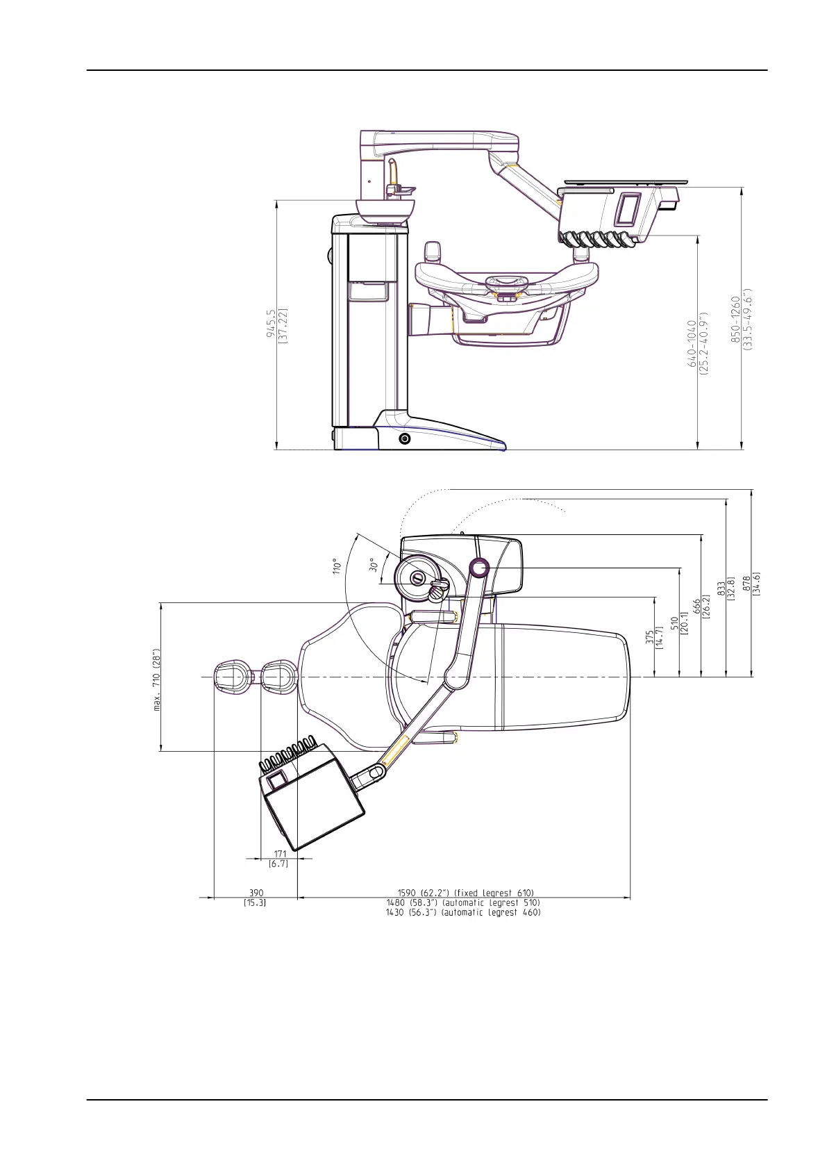
35.3.4 Over-the-patient delivery with hanging-tube instruments
35 Technical information
User's manual Planmeca Compact i 309

Table of Contents

Related product manuals