EasyManua.ls Logo

Rockwell Automation Allen-Bradley IMPACT 1336 Series

Rockwell Automation Allen-Bradley IMPACT 1336 Series
196 pages
To Next Page IconTo Next Page
To Next Page IconTo Next Page
To Previous Page IconTo Previous Page
To Previous Page IconTo Previous Page
Loading...
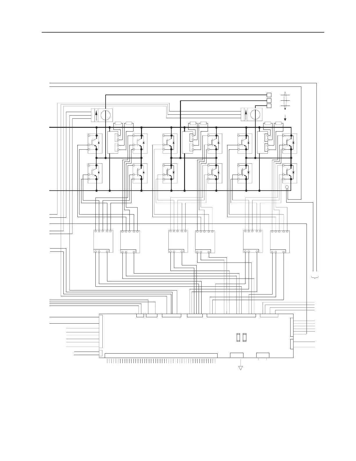
7–3Schematics
Publication 1336 IMPACT-6.8 – November, 2002
E1
B1
C1
E1
B1
C1 C1
E1
C1
B1
E1
B1
C1
E1
C1
B1
E1
B1
C1
E1
C1
B1
E1
B1
C1
E1
C1
B1
E1
B1
C1
E1
C1
B1
E1
B1
NTC1
NTC
TO
CONTROL
BOARD
R24 R25R22 R23R20 R21
CT 2CT 1
A20 A21 A22
A23
A24 A26
A25
A28
A27
C1
E2
E1
B2
B1
C1
G1
G2
E1
G2
C1
G1
G2
E1
E2
C1
E1
G2
G1
E2
E1
C1
G2
G1
E2
G1
G2
C1
E2
E1
J1
J2
1
3
1
3
J2
J1
1
3
1
3
J2
J1
1
3
1
3
Q11
Q41 Q42
Q12 Q31
Q61
Q32
Q62
Q51
Q21
Q52
Q22
145
145
145
145
145
145
GATE
DRIVER
BOARD
WP_EMIT
POS_BUS
U_AMPS+
W_NEG–
V_POS–
V_NEG–
W_POS–
V_VOLTS
U_VOLTS
U_AMPS–
W_AMPS+
W_AMPS–
NEG_CAP
W_VOLTS
V_COM NC
NEG_BUS
17
14
13
16
15
22
19
18
21
20
25
24
23
26
27
J1
+5V
EE_IO
DESAT
AC LINE
/CHARGE
GND_SHORT
EE_SK
EE_CS
PILOT
CVERIFY
+5V
–15V
–15V
+15V
+15V
+5V
DGND
+24V
ISO12V
ISO12RTN
DGND
38
33
30
29
28
32
31
35
34
37
36
40
39
43
42
41
46
45
44
48
47
A1
8
ACT1
ACT2
J2
12
+BUS
–BUS
+15
J10
14
WN_GATE
U_AMPS
INTERLOCK
W_AMPS
–15V
+15
–15
2
J6
567341
WP_GATE
UN_EMIT
UN_GATE
VN_GATE
VN_EMIT
WN_EMIT
J7
321456
1
+EXT. RES.
–EXT. RES.
120VAC
TB5
+5V
+5V
TE
TB7
50
49
12
F1 F3
EXTERNAL DC BUS
INPUT CONNECTION
HIGH VOLTAGE
+DC AUX IN
HIGH VOLTAGE
–DC AUX IN
1
TB6
3
J13
1
4
6
4
3
5
24V– OUT
120RTN
24V+ OUT
J8
UP_GATE
VP_EMIT
VP_GATE
VN_COL
WN_COL
23 876
UP_COL
VP_COL
WP_COL
UN_COL
UP_EMIT
131211 1716 18
J5
1426
1
2
AC FAN1
AC FAN2
EXTERNAL
BUS
DISCHARGE
RESISTOR
CONTACTOR
INTERFACE
M1X1
M1K1
M1K2
M1X2
TO CONTROL BOARD
6
U_NEG+
DGND
U_POS+
DGND
DGND
DGND
+24V DC AUX INPUT
–24V DC AUX INPUT
1
2
1
1
TB4
3
2
5
4
5
J9
3
4
2
6
AC LINE
–15V
COMMON
+5V
/CHARGE
+15V
+SMPS
–SMPS
9
12
W_NEG+
U_POS–
V_POS+
V_NEG+
W_POS+
U_NEG–
9
8
7
11
10
12
POWER
OUTPUT
AC
W–M3
V–M2
U–M1
PE
–15
1
W_AMPS
+15
3
2
3
–15
U_AMPS
1
2
+15
TB1
PS+V
PSCOM
PS–V
RL1–5
RL1–9
Sheet 2 of 3
SEE TABLE 7–C
FROM
SHEET
3

Table of Contents

Related product manuals