EasyManua.ls Logo

Rockwell Automation Allen-Bradley IMPACT 1336 Series - Page 164

Rockwell Automation Allen-Bradley IMPACT 1336 Series
196 pages
Print Icon
To Next Page IconTo Next Page
To Next Page IconTo Next Page
To Previous Page IconTo Previous Page
To Previous Page IconTo Previous Page
Loading...
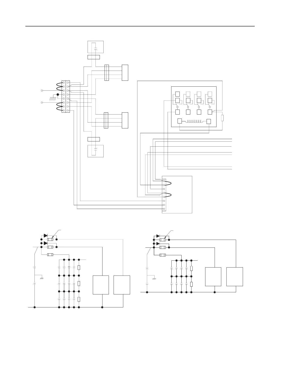
7–4 Schematics
Publication 1336 IMPACT-6.8 – November, 2002
AB0723A
C1 C2 C3 C4
C8C7C6C5
R1
R2
CAP DETAIL
480V
C9 – C16
R3 – R4
C17 – C24
R5 – R6
D1
D2
F2
F1
F3
+
R4 – R6
C13 – C24 C25 – C36
R7 – R9
C5
C9
CAP DETAIL
575V
R3
C10 C11 C12
C6 C7 C8
R2
C1 C2 C3 C4
R1
+
F3
D2
F2
F1
D1
FAN 1
C39
J3
J1
1234
Z2
TK
U2
GRN/Y
J4
C38
J2
GRN/Y
BRN
BLK
BLU
3124
FAN 2
GRN/Y
RED
BLK
REDRED
GRN/Y
RED
BLK
BRN BRN
WHITE
BLK
TB1
JUMPER
JUMPER
120V
2
1
1
2
C41
C40
C40
C41
13
X
X
Capacitor Detail
Fan Circuit Detail
575V 480V
CUSTOMER POWER
GND
+16V
POWER SUPPLY
–16V
COM
N
AC
L
14
1
9
5
2
10
6
3
11
7
4
12
8
RL1
215 OHM
1W
PS+V
PSCOM
PS–V
RL1–5
RL1–9
Sheet 3 of 3
SEE TABLE 7–B
SEE TABLE 7–B
TO SHEET 2

Table of Contents

Related product manuals