EasyManua.ls Logo

Siemens 6RA7086-6KS22

Siemens 6RA7086-6KS22
734 pages
To Next Page IconTo Next Page
To Next Page IconTo Next Page
To Previous Page IconTo Previous Page
To Previous Page IconTo Previous Page
Loading...
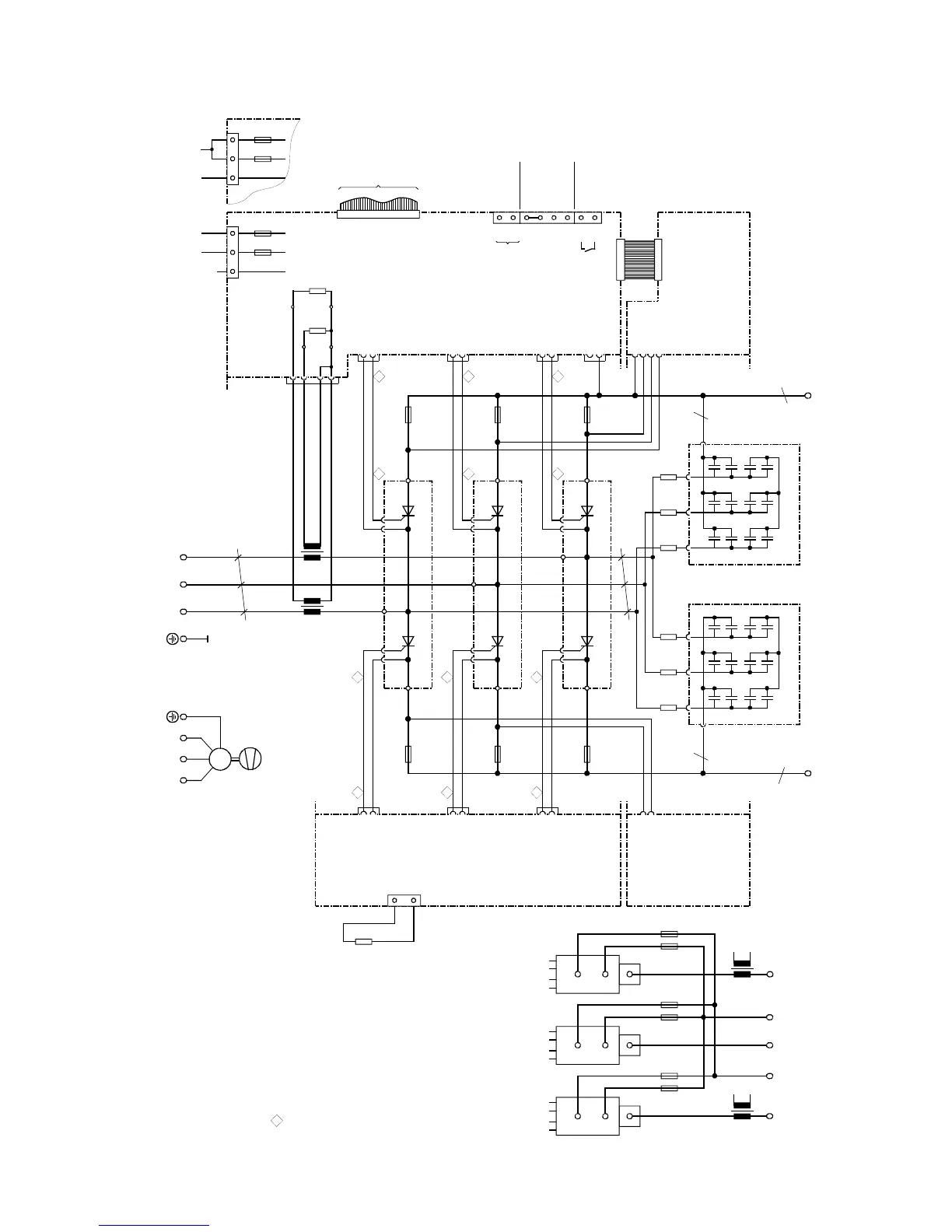
05.05 Connections
Siemens AG 6RX1700-0AD76 6-33
SIMOREG DC Master Operating Instructions
6.4.8 Converters: 1000 to 1200A, 1Q
F5 F2F3 F6
C98043-A7002
X101
X7
X6
C98043-A7002
ϑ
R100
X102
X3-3
X3-2
X3-1
X3-4
R76
R75
B600
B603
103
104
105
106
107
108
109
110
XT
XR
XS
4U1 4V1 4W1
M
3~
F1
C98043-A7004C98043-A7004
U2
U1
W2
W1
V2
V1
F2
M1A
5U15W1
XP
F1
M1A
5N1
3
21
NC
XP
3
21
F2
M1A
5U15W1
F1
M1A
5N1
1U1 1V1 1W1
a
b
1C1 1D1
a
a
C98043-A7011
92
R10
93 94
90
UVW
R12 R14
b
C98043-A7011
92
R11
93 94
90
UVW
R13 R15
b
15
1
V5 + V2
K
AK
X15-2
X15-1
12
X12-2
X12-1
2
A
13 1
V3 + V6
K
AK
X13-2
X13-1
16
X16-2
X16-1
2
A
11 1
V1 + V4
K
AK
X11-2
X11-1
14
X14-2
X14-1
2
A
G1
X25-1
X25-2
K1 G2K2
G1K1
G1K1
G2K2
G2K2
k
l
K
L
K
L
l
k
T3T2
F3
F5
F4
F6
F2
T2
1W1
1V11U1 1D1 1C1
AK
K
A
V1 + V4
K2 G2 G1 K1
X14 X11
T3
AK
K
A
V3 + V6
K2 G2 G1 K1
X16 X13
AK
K
A
V5 + V2
K2 G2 G1 K1
X12 X15
F1 F4
B601B602
to A7009 - X101
Cables are designated as specified at ends
G (Gate) leads yellow
K (cathode) leads
red
a = copper busbar 60 x 10
b = Raychem 44A0311-20-9
All cables are Bettherm 145 1mm
2
unless otherwise designated
Tacho
±
270V
Tacho Ground
ES/S
P24/ES
ES/P
ES/P_Reset
NS
NS
Tacho
E301
Fan
AC 190 to 230VAC 380 to 460V or
Arrangement of thyristor modules

Table of Contents

Related product manuals