EasyManua.ls Logo

Siemens 6RA7086-6KS22

Siemens 6RA7086-6KS22
734 pages
To Next Page IconTo Next Page
To Next Page IconTo Next Page
To Previous Page IconTo Previous Page
To Previous Page IconTo Previous Page
Loading...
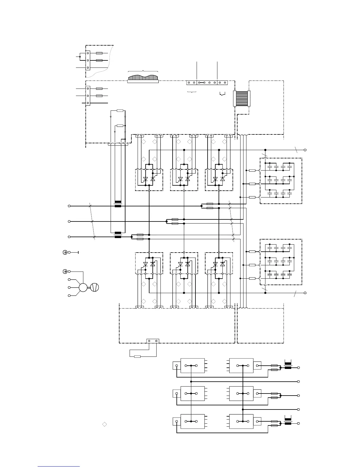
05.05 Connections
Siemens AG 6RX1700-0AD76 6-47
SIMOREG DC Master Operating Instructions
6.4.20 Converters: 1100 to 1200A, 4Q
C98043-A7002
X101
1U1
k
l
K
L
K
L
l
k
T3
a
1C1
(1D1)
1D1
(1C1)
X7
X6
C98043-A7002
ϑ
R100
11 1
V1
G1
K
A
AK
X11-1
X11-2
K1
24 2
K2
X24-2
X24-1
G2
211
V4
G1
K
A
AK
X21-1
X21-2
K1
142
K2
X14-2
X14-1
G2
13 1
V3
G1
K
A
AK
X13-1
X13-2
K1
26
2
K2
X26-2
X26-1
G2
231
V6
G1
K
A
AK
X23-1
X23-2
K1
162
K2
X16-2
X16-1
G2
15 1
V5
G1
K
A
AK
X15-1
X15-2
K1
22 2
K2
X22-2
X22-1
G2
251
V2
G1
K
A
AK
X25-1
X25-2
K1
12
2
K2
X12-2
X12-1
G2
a
a
X102
T2
X3-3
X3-2
X3-1
X3-4
R76
R75
B600
B601
B602
B603
103
104
105
106
107
108
109
110
XT
XR
XS
4U1 4V1 4W1
M
3~
C98043-A7011
92
R10
93 94
90
UVW
R12 R14
F4F1
F6F3
F2F5
1V1 1W1
C98043-A7004C98043-A7004
U1
V1
W1
b
b
U2
V2
W2
C98043-A7011
92
R11
93 94
90
UVW
R13 R15
b
T2
1W1
1V11U1 1D1
(1C1)
1C1
(1D1)
AK
K
A
V1
K2 G2 G1 K1
AK
K
A
V4
K1 G1 G2 K2
X21 X14
X24 X11
T3
AK
K
A
V3
K2 G2 G1 K1
X26 X13
AK
K
A
V5
K2 G2 G1 K1
X22
X15
AK
K
A
V6
K1 G1 G2 K2
X23 X16
AK
K
A
V2
K1 G1 G2 K2
X25 X12
F2
F5
F6
F3
F4
F1
F2
M1A
5U15W1
XP
F1
M1A
5N1
321
NC
XP
3
21
F2
M1A
5U15W1
F1
M1A
5N1
to A7009 - X101
Cables arer designated as specified at ends
G (Gate) leads
yellow
K (cathode) leads
red
a = copper bar 60 x 10
b = Raychem 44A0311-20-9
All cables areBetatherm 145 1mm
2
unless otherwise designated
Tacho
±
270V
Tacho ground
ES/S
P24/ES
ES/P
ES/P_Reset
NS
NS
Tacho
E301
Fan
Arrangement of thyristor modules
AC 190 to 230VAC 380 to 460V or

Table of Contents

Related product manuals