EasyManua.ls Logo

Siemens 6RA7086-6KS22

Siemens 6RA7086-6KS22
734 pages
To Next Page IconTo Next Page
To Next Page IconTo Next Page
To Previous Page IconTo Previous Page
To Previous Page IconTo Previous Page
Loading...
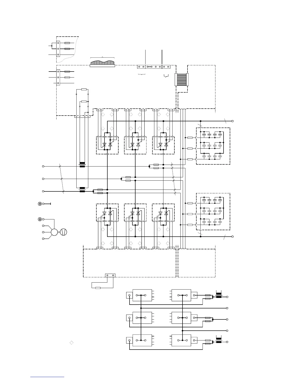
Connections 05.05
6-46 Siemens AG 6RX1700-0AD76
SIMOREG DC Master Operating Instructions
6.4.19 Converters: 950A to 1000A, 4Q
C98043-A7003
X101
1U1
k
l
K
L
K
L
l
k
T3
a
1C1
(1D1)
1D1
(1C1)
X7
X6
C98043-A7003
ϑ
R100
11 1
V1
G1
K
A
AK
X11-1
X11-2
K1
24 2
K2
X24-2
X24-1
G2
211
V4
G1
K
A
AK
X21-1
X21-2
K1
142
K2
X14-2
X14-1
G2
13 1
V3
G1
K
A
AK
X13-1
X13-2
K1
26
2
K2
X26-2
X26-1
G2
231
V6
G1
K
A
AK
X23-1
X23-2
K1
162
K2
X16-2
X16-1
G2
15 1
V5
G1
K
A
AK
X15-1
X15-2
K1
22 2
K2
X22-2
X22-1
G2
251
V2
G1
K
A
AK
X25-1
X25-2
K1
12
2
K2
X12-2
X12-1
G2
a
a
X102
T2
X3-3
X3-2
X3-1
X3-4
R76
R75
B600
B601
B602
B603
103
104
105
106
107
108
109
110
XT
XR
XS
4U1 4V1 4W1
M
3~
C98043-A7011
91
R10
99 98
90
UVW
R12 R14
F4F1
F6F3
F2F5
1V1 1W1
C98043-A7004C98043-A7004
U1
V1
W1
b
b
U2
V2
W2
C98043-A7011
91
R11
99 98
90
UVW
R13 R15
b
T2
1W1
1V11U1 1D1
(1C1)
1C1
(1D1)
AK
K
A
V1
K2 G2 G1 K1
AK
K
A
V4
K1 G1 G2 K2
X21 X14
X24 X11
T3
AK
K
A
V3
K2 G2 G1 K1
X26 X13
AK
K
A
V5
K2 G2 G1 K1
X22
X15
AK
K
A
V6
K1 G1 G2 K2
X23 X16
AK
K
A
V2
K1 G1 G2 K2
X25 X12
F2
F5
F6
F3
F4
F1
F2
M1A
5U15W1
XP
F1
M1A
5N1
321
NC
XP
3
21
F2
M1A
5U15W1
F1
M1A
5N1
to A7009 - X101
Cables are designatedas specified at ends.
G (Gate) leads
yellow
K (cathode) leads
réd
a =copper busbar 60 x 10
b = Raychem 44A0311-20-9
All cables are Betatherm 145 1mm
2
unless otherwise designated
Tacho
±
270V
Tacho ground
ES/S
P24/ES
ES/P
ES/P_Reset
NS
NS
Tacho
E301
Fan
Arrangement of thyristor modules
AC 190 to 230VAC 380 to 460V or

Table of Contents

Related product manuals