EasyManua.ls Logo

Siemens 6RA7086-6KS22

Siemens 6RA7086-6KS22
734 pages
To Next Page IconTo Next Page
To Next Page IconTo Next Page
To Previous Page IconTo Previous Page
To Previous Page IconTo Previous Page
Loading...
Connections 05.05
6-36 Siemens AG 6RX1700-0AD76
SIMOREG DC Master Operating Instructions
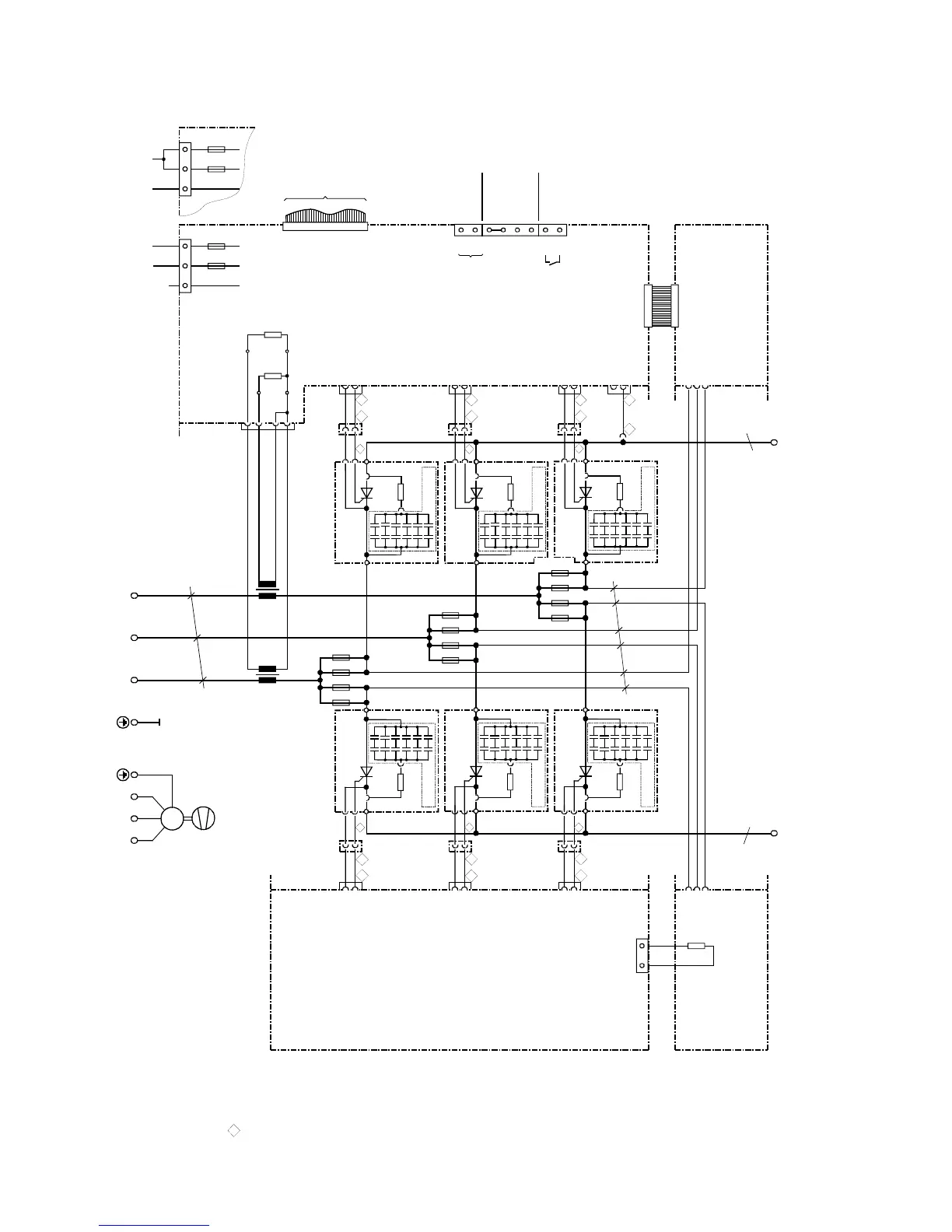
6.4.10 Converters: 400V/3000A, 575V/2800A, 690V/2600A, 950V/2200A 1Q
X101
1U1
k
l
K
L
K
L
l
k
T3
a
1C1 1D1
X7
X6
ϑ
R100
b
b
X102
T2
X3-3
X3-2
X3-1
X3-4
R76
R75
B600
B601
B602
B603
103
104
105
106
107
108
109
110
XT
XR
XS
4U1 4V1 4W1
M
3~
1V1 1W1
C98043-A7004C98043-A7004
U1
V1
W1
c
U2
V2
W2
11
X11-1
X11-2
F2
M1A
5U15W1
XP
F1
M1A
5N1
3
21
NC
XP
3
21
F2
M1A
5U15W1
F1
M1A
5N1
13
V3
G1
X13-1
X13-2
K1
V13
15
X15-1
X15-2
144
G2
X14-1
X14-2
K2
V14
166
G2
X16-1
X16-2
K2
122
X12-1
X12-2
X25-1
X25-2
F142
F141
F111
F112
F162
F161
F131
F132
F122
F121
F151
F152
X90
C98043-A7017
V5
G1
K1
V15
X90
C98043-A7017
V1
G1
K1
V11
X90
C98043-A7017
V4
X90
C98043-A7017
V16
V6
X90
C98043-A7017
G2
K2
V12
V2
X90
C98043-A7017
2
1
1
2
1
3
5
2
1
1
1
1
1
2
1
2
1
1
2
1
25D
1
to A7009 - X101
Cables are designated as specified at ends
Converters D485/... and D690/...
C98043-A7002
Converters D830/... and D1000/...
C98043-A7003
G (Gate) leads
yellow
K (cathode) leads
red
a = copper busbar 80 x 10
b = copper busbar 50 x 10
c = Raychem 44A0311-20-9
All cables are Betatherm 145 1mm
2
unless otherwise designated
Tacho
±
270V
Tacho ground
ES/S
P24/ES
ES/P
ES/P_Reset
NS
NS
Tacho
E301
Fan
AC 190 to 230VAC 380 to 460V or
Converters D485/... and D690/...
C98043-A7002
Converters D830/... and D1000/...
C98043-A7003

Table of Contents

Related product manuals