EasyManua.ls Logo

Siemens 6RA7086-6KS22

Siemens 6RA7086-6KS22
734 pages
To Next Page IconTo Next Page
To Next Page IconTo Next Page
To Previous Page IconTo Previous Page
To Previous Page IconTo Previous Page
Loading...
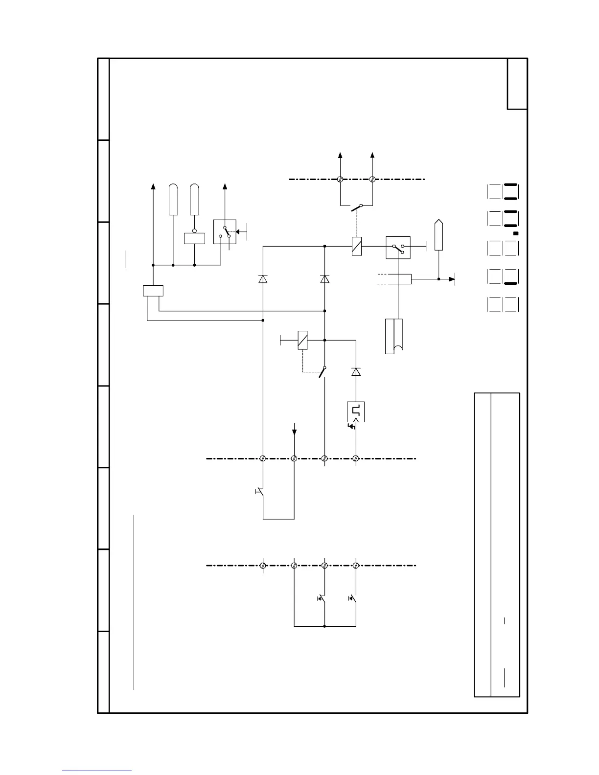
05.05 Function diagrams
SIEMENS AG 6RX1700-0AD76 8-15
SIMOREG DC Master Operating Instructions
Sheet G117 E-Stop, Relay output line contactor
87564321
52 50 48 46
109
110
- G117 -
XR
109
110
10
107
108
106
105
24 V
XS
Power
Interface
1
107
108
106
105
XS
24 V
[G180.2]
1
[G163.6]
1
0
0
[G182.6]
r011
U619.B(124)
B
Power-
Interface
r011
K0021
B0169
B0168
U616
Indication of terminal states on 7-segment display
Line contactor
Power
ON
E-Stop, relay output line contactor
Initiate
E Stop
"E Stop" switch
(NC contact)
"E Stop"button
(NC contact)
"Reset E Stop" button
(NO contact)
Reset
E Stop
Initiate
E Stop
Pushbutton operation Switch operation
NOTICE
Either terminal 105 or terminals 107 + 108 may be used!
Terminal 105 is connected to terminal 106 in the delivery state.
0 = E Stop
1 = no E Stop
to sheet "Control word 1"
E Stop
energize line contactor
Instantaneous pulse disable on E Stop

Table of Contents

Related product manuals