EasyManua.ls Logo

Siemens 6RA7086-6KS22

Siemens 6RA7086-6KS22
734 pages
To Next Page IconTo Next Page
To Next Page IconTo Next Page
To Previous Page IconTo Previous Page
To Previous Page IconTo Previous Page
Loading...
Function descriptions 05.05
9-4 SIEMENS AG 6RX1700-0AD76
SIMOREG DC Master Operating Instructions
Examples: Some examples of how to handle connectors and binectors are given below.
Example 1: As a function of the status of terminal 36 (B0010 - see Section 8, Sheet G110), analog
selectable input 1 (terminals 6 and 7) must be made available, either with the correct
sign or inverted sign, at the function block output (= connector K0015).
This output value must then be injected as an additional setpoint and output
simultaneously at analog output terminal 14.
The following settings need to be made to create the correct links:
1. P714 = 10: Selects binector B0010 (status of terminal 36) as the control signal for sign reversal.
Parameter P716 remains set at 1 (= fixed value 1, delivery state), thereby ensuring that
the analog input is switched in continuously.
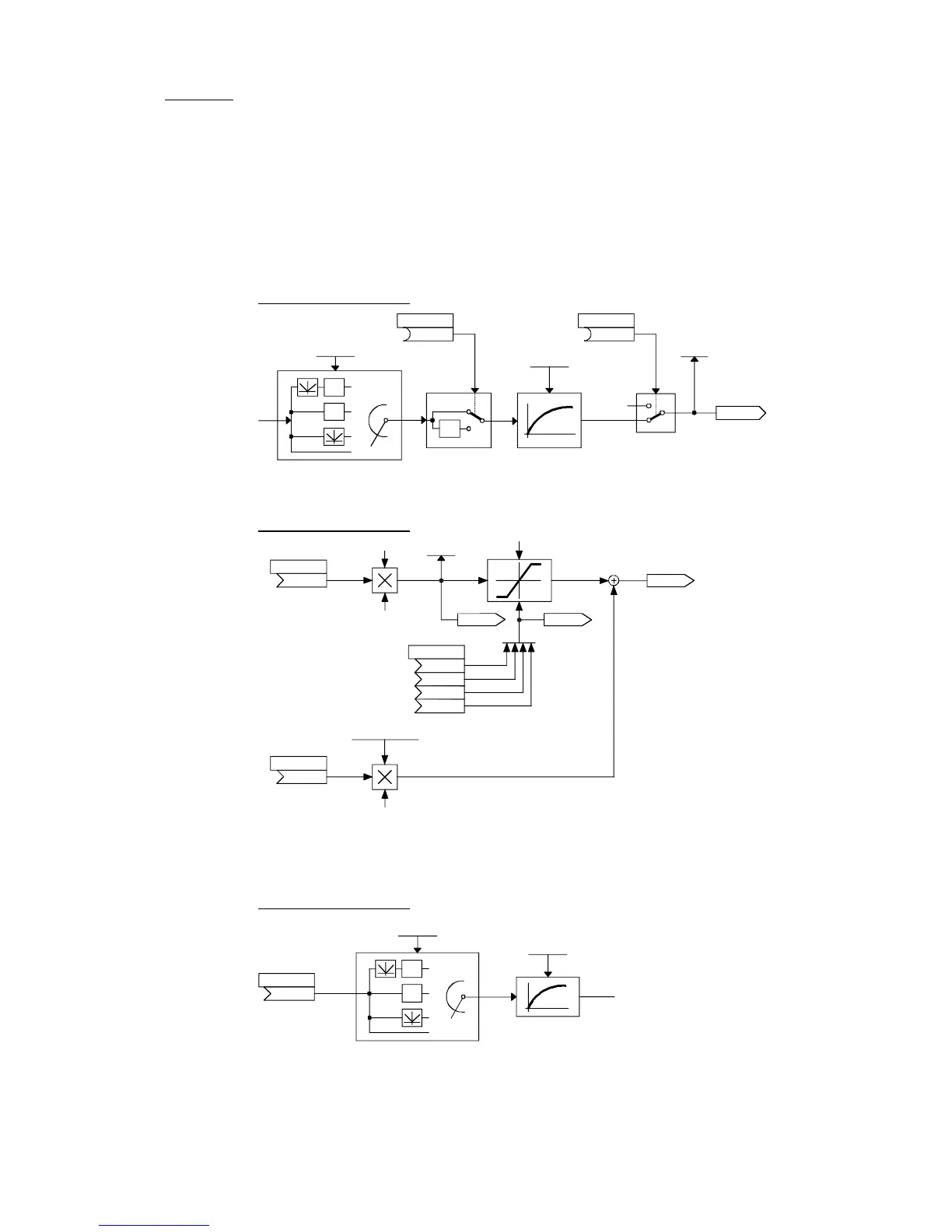
Section 8, Sheet G113:
0
1
-1
-1
1
2
3
0
-1
0%
1
0
P713 (0)
P715 (0)
r003
K0015
P716 (1)
B
P714 (0)
BB
10
Sign reversal
Connection of
analog input
Filter time [ms]
Filter
2. P645 = 15: Applies connector K0015 to the additional setpoint input when the setpoint is processed
Section 8, Sheet G135:
.01
.02
.03
.04
<1>
<1>
<1>
<1>
P644.F(206)
K
P645.F (0)
K
K0194
P643 (9)
K
K
K
K
r029
K0197
K0198
15
P321.F (100.00)
(-300.00...300.00 %)
Main setpoint
Maximum
A
dditional setpoint
3. P750 = 15: Applies connector K0015 to the input of the function block for the analog output
terminal 14. This example of K0015 illustrates how it is possible to apply a connector as
an input signal to any number of function blocks.
Section 8, Sheet G115:
-1
-1
1
2
3
0
P751 (0)
P752 (0)
P750 (0)
K
(0...10000ms)
15
Filter time

Table of Contents

Related product manuals