EasyManua.ls Logo

Siemens 7UT51

Siemens 7UT51
232 pages
To Next Page IconTo Next Page
To Next Page IconTo Next Page
To Previous Page IconTo Previous Page
To Previous Page IconTo Previous Page
Loading...
16
Bench Testing
7UT51 v3
168 PRIM-2330C
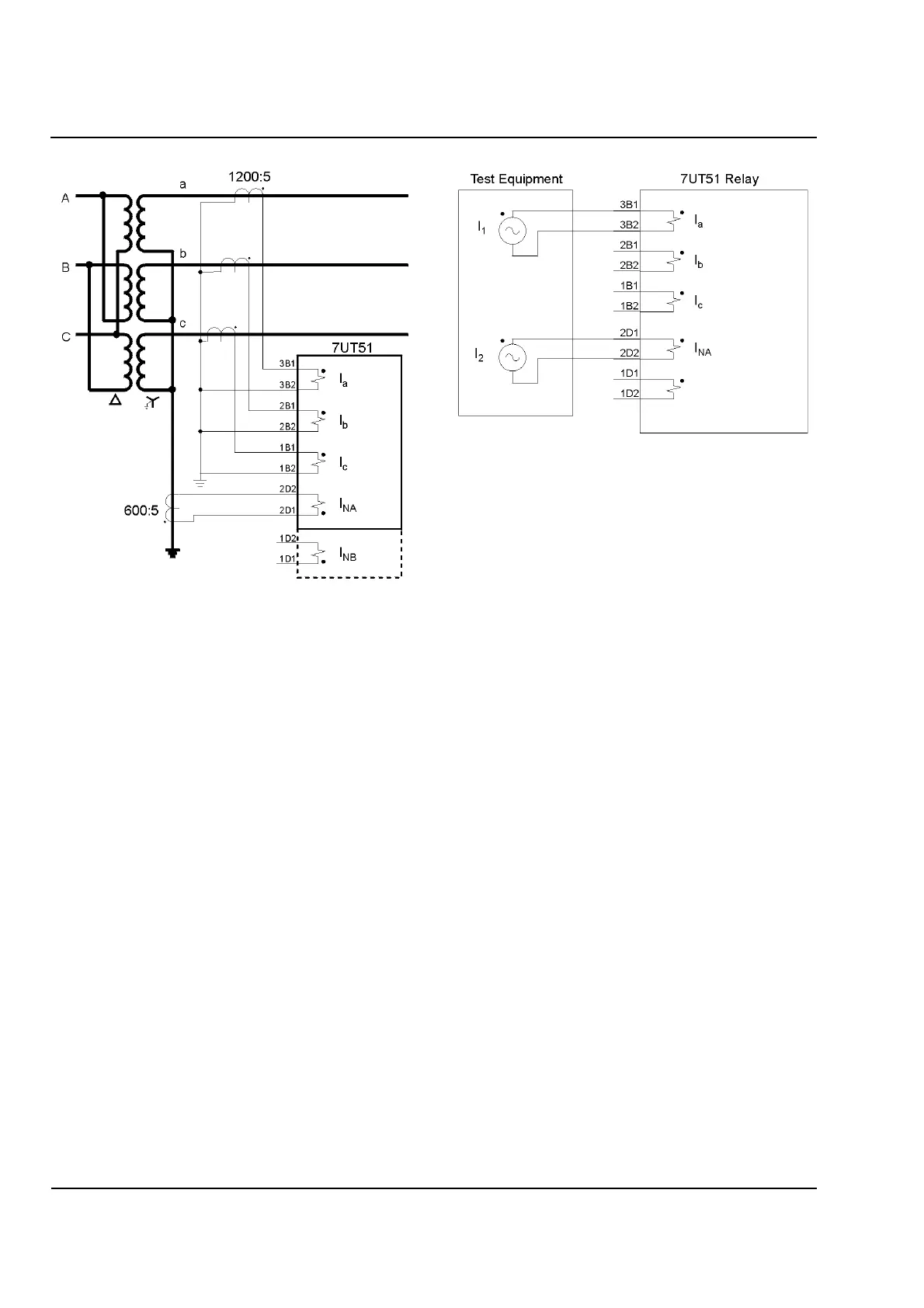
Figure 16.9
Standard Application of Restricted Ground
-
Fault Protection
Metering Test
Testing the metering of numerical relays is the
quickest method of determining if a relay is no longer
functioning or that it is incorrectly connected. If the
relay cannot correctly determine what is being applied
to its inputs, it can no longer protect by default.
Since the restricted ground-fault function is sensitive
to unbalanced zero sequence currents between the
phase and ground inputs, temporarily turn
Off
the
RGF function in Address 1901 (OFF is the default
setting).
Connect the test set to the 7UT51 as shown in
Figure 16.10
.
Figure 16.10
Testing Restricted Ground
-
Fault on
Secondary
Apply 1.0A to the ground input being used for the RGF
function using test source I
2
(
since 1/5 = .20
).
Read the Metered current for that ground input using
the relay’s MMI (front display) or WinDIGSI
To read the value from the front panel of the relay:
1. Go to Address 4101.
4101 Test Diff
-
Measuring?
”.
2. Press the
Yes
key.
3.
I1 PhA= xxx
” will be displayed.
4. Press the
No
key to page through to the “IA”
current (or “IB” if you are using the second ground
current input.)
5. The display should approximately read: “IA=
20.0%” for the 1.0A current injected.
6. Go to Address
4801 STOP TEST
-
FINISH?
7. Press the
Yes
key to end the Commissioning
Te st s .
8. Reset all targets and annunciations.
To read these values on a PC using WinDIGSI, begin
communication with the relay, then:
1. Select “
Test
” from the menu bar.
2. Display “
Commissioning Tests
”.

Table of Contents

Related product manuals