EasyManua.ls Logo

Siemens 7UT51

Siemens 7UT51
232 pages
To Next Page IconTo Next Page
To Next Page IconTo Next Page
To Previous Page IconTo Previous Page
To Previous Page IconTo Previous Page
Loading...
7UT51 v3
Application Examples
3
PRIM-2330C 33
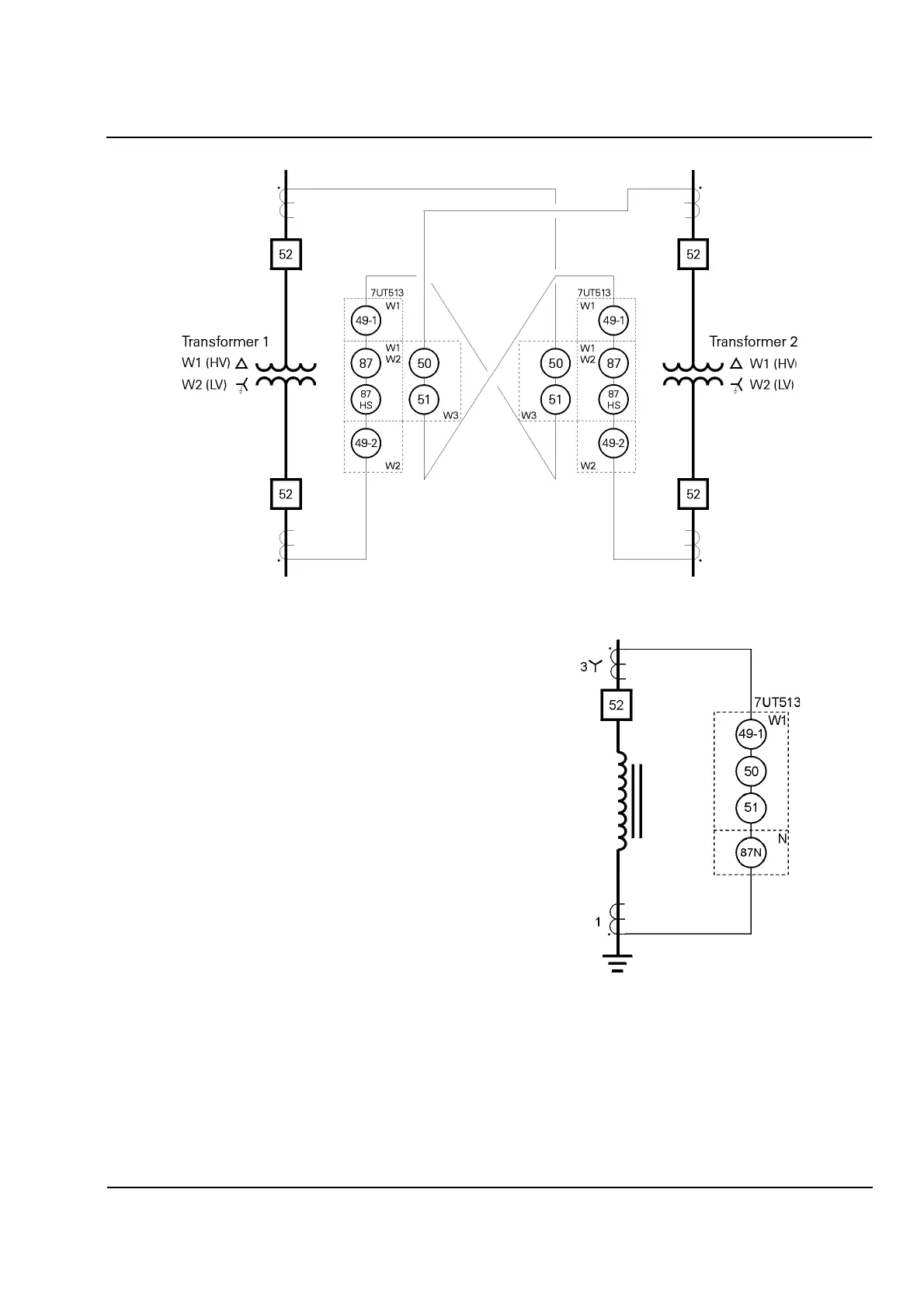
Figure 3.4
Parallel Transformers using Cross
-
Connected Overcurrent Backup Protection
3.2 Reactor Protection
The ground differential element of a model 7UT513
can protect a reactor in at least two different ways.
Figure 3.5 shows a reactor bank made up of three
single-phase reactors with CTs available at the
breaker and one CT available in the grounded neutral.
Because three ground-side CTs are not available on
the single-phase reactors, the 87 and 87HS elements
cannot be used. Instead, the overcurrent elements
(50,51) provide primary protection, with the 87N
element providing reactor ground-fault and turn-to-turn
protection with increased sensitivity. If the system
voltage is abnormally high, the reactors will draw
higher-than-rated current, so a thermal overload
element (49-1) can provide backup protection.
Figure 3.5
Reactor Protection for Bank Comprised of
Single
-
Phase Units

Table of Contents

Related product manuals