EasyManua.ls Logo

Siemens 7UT51

Siemens 7UT51
232 pages
To Next Page IconTo Next Page
To Next Page IconTo Next Page
To Previous Page IconTo Previous Page
To Previous Page IconTo Previous Page
Loading...
3
Application Examples
7UT51 v3
32 PRIM-2330C
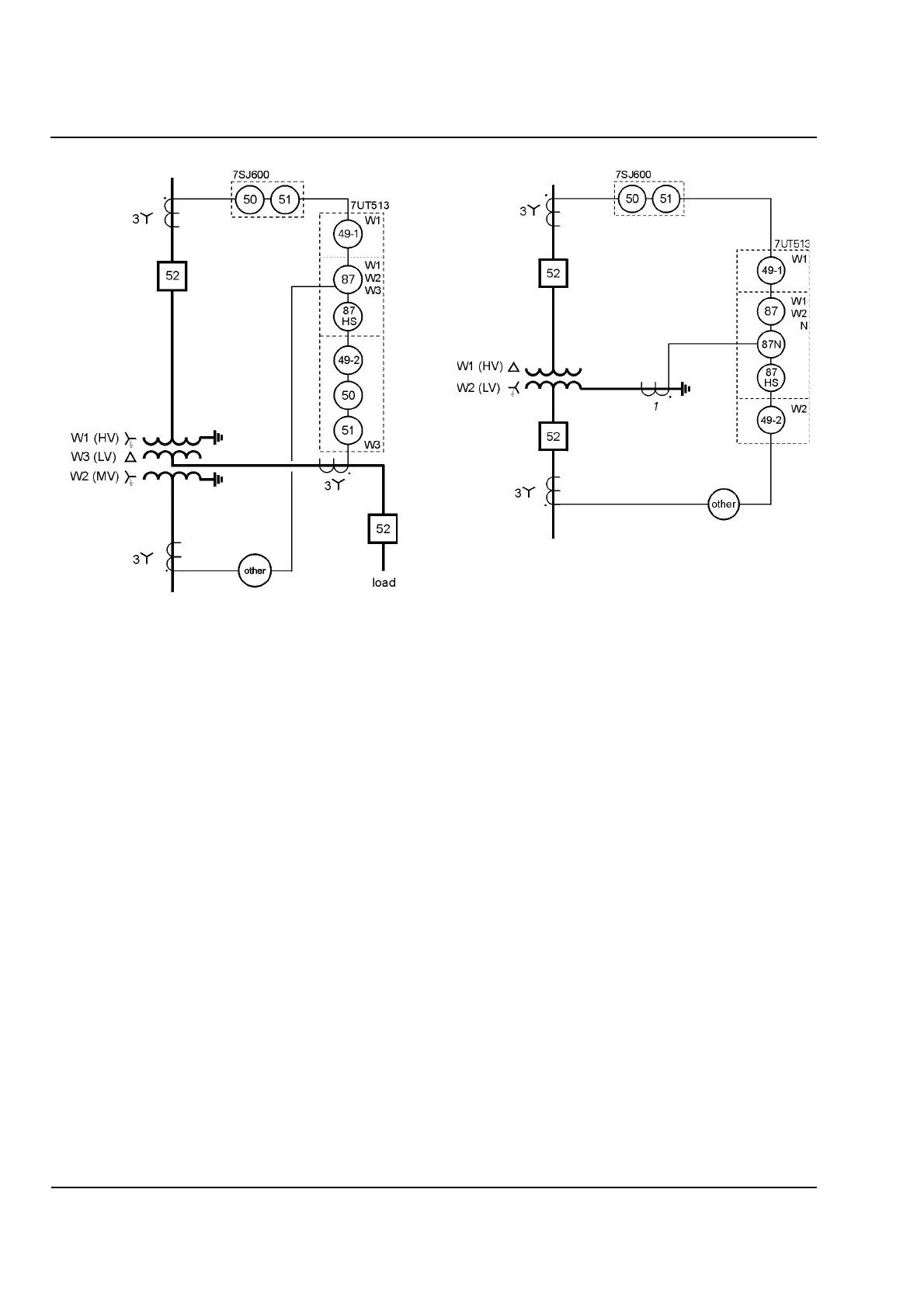
Figure 3.2
Three
-
Winding Transformer Protection with
Overcurrent Backup for Tertiary Load
For protection utilizing the ground differential
protection element. A 7UT513 model is required, as
shown in Figure 3.3. The transformer protection is the
same as that illustrated in Figure 3.1 except that the
87N element is used instead of the 50/51 element. A
single CT in the transformer grounded-neutral
provides wye-winding ground-fault and turn-to-turn
protection with increased sensitivity.
Figure 3.3
Two
-
Winding Transformer Protection using
the Ground Differential Protection Element
The 7UT513 model can be used for a unique
application involving paired transformers in the same
yard or facility. As shown in Figure 3.4 below. Before
the high voltage winding currents are taken to their
respective thermal overload and differential elements
in their own relays, they are first brought to the
adjacent transformer relay's backup overcurrent
elements (50, 51 W3). This way, if there is a relay
failure associated with T1, backup protection is still
provided for T1 through the 7UT513 associated with
T2, and vice versa. Using the five independently
configurable trip contacts available on a 7UT513, the
cross-connected backup overcurrent elements can trip
the other transformer’s breakers, maintaining system
reliability.

Table of Contents

Related product manuals