EasyManua.ls Logo

Siemens 7UT51

Siemens 7UT51
232 pages
To Next Page IconTo Next Page
To Next Page IconTo Next Page
To Previous Page IconTo Previous Page
To Previous Page IconTo Previous Page
Loading...
7UT51 v3
Transformer Differential Protection (87T and 87HS)
4
PRIM-2330C 65
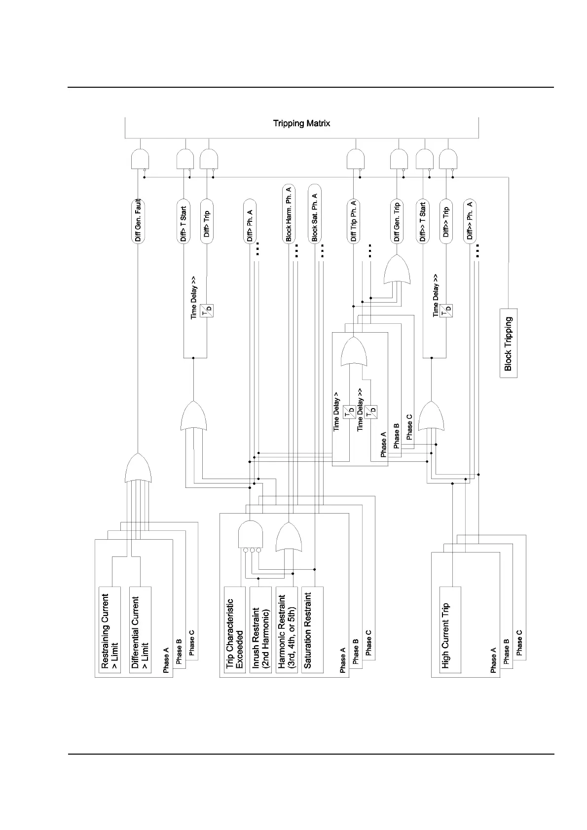
Figure 4.13
Tripping Logic of Transformer Differential Protection (87T and 87HS)

Table of Contents

Related product manuals