EasyManua.ls Logo

Siemens SIMPRO-100 - Page 158

Siemens SIMPRO-100
240 pages
Print Icon
To Next Page IconTo Next Page
To Next Page IconTo Next Page
To Previous Page IconTo Previous Page
To Previous Page IconTo Previous Page
Loading...
B
Control Equations & Relay Logic
SIMPRO-100
156 PRIM-2400C
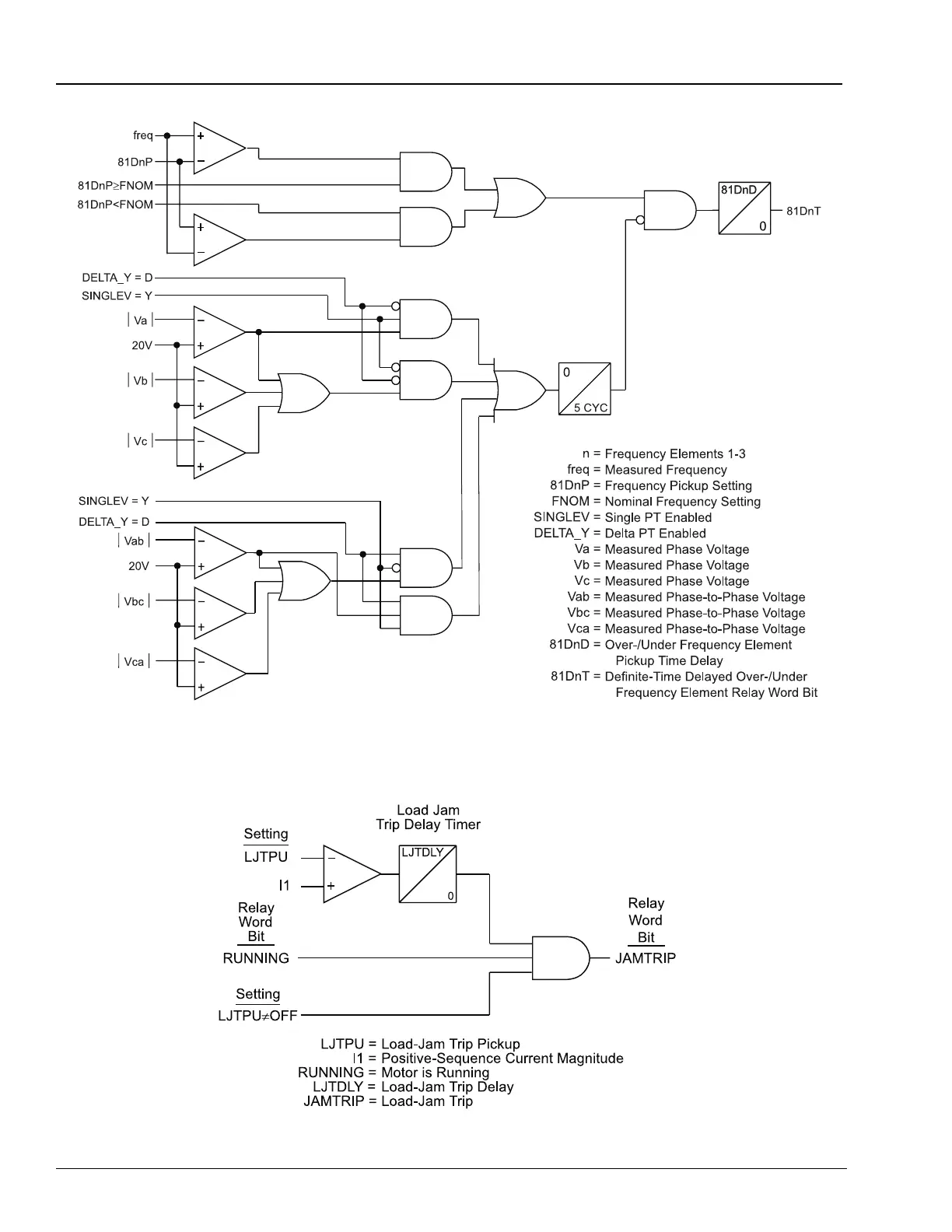
Figure B.17 Over/Underfrequency Element Logic
Figure B.18 Load-Jam Elements Logic

Table of Contents

Related product manuals