EasyManua.ls Logo

Siemens SIMPRO-100 - Program Output Contact for Motor Starting

Siemens SIMPRO-100
240 pages
Print Icon
To Next Page IconTo Next Page
To Next Page IconTo Next Page
To Previous Page IconTo Previous Page
To Previous Page IconTo Previous Page
Loading...
B
Control Equations & Relay Logic
SIMPRO-100
148 PRIM-2400C
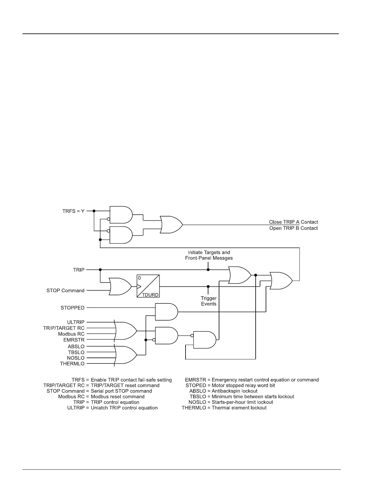
B.9.2 Unlatch Trip
Following a fault, the trip signal is maintained until
all of the following conditions are true:
Minimum Trip Duration Time (TDURD)
passes
The TRIP control equation result deasserts to
logical 0
All the motor lockout functions, described
below, deassert to logical 0
One of the following occurs:
Unlatch Trip control equation setting
ULTRIP asserts to logical 1
The front-panel Trip/Target Reset menu
item is selected
The serial port TARGET R (Target Reset)
command is executed
The Modbus Reset control command is
executed
An Emergency Restart command is
executed or the EMRSTR control
equation setting asserts to logical 1
Figure B.7 Stop/Trip Logic

Table of Contents

Related product manuals