EasyManua.ls Logo

Siemens SIMPRO-100 - Figure 2.6 Example AC Wiring Diagram, Four-Wire Wye Voltages and Ground CT; Figure 2.7 Example AC Wiring Diagram, Open-Delta Voltages and Residual in Connection

Siemens SIMPRO-100
240 pages
Print Icon
To Next Page IconTo Next Page
To Next Page IconTo Next Page
To Previous Page IconTo Previous Page
To Previous Page IconTo Previous Page
Loading...
2
Installation
SIMPRO-100
30 PRIM-2400C
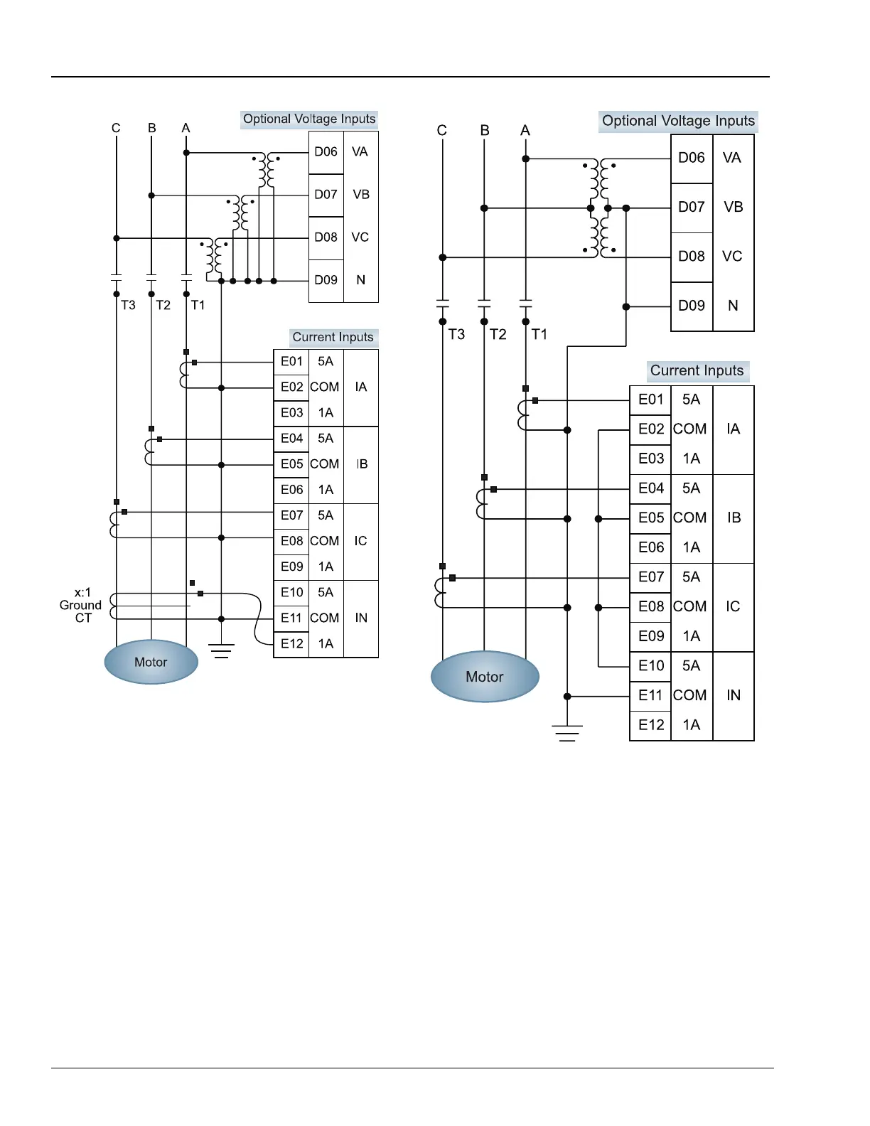
Figure 2.6 Example AC Wiring Diagram, Four-Wire
Wye Voltages and Ground CT
Figure 2.7 Example AC Wiring Diagram,
Open-Delta Voltages and Residual IN
Connection

Table of Contents

Related product manuals