EasyManua.ls Logo

Siemens SIMPRO-100 - Figure 2.12 Trip Contact Fail-Safe, Nonfail-Safe Wiring Options; Figure 2.13 Optional Motor Start Wiring Using Factory Default Settings for Output Contact OUT3

Siemens SIMPRO-100
240 pages
Print Icon
To Next Page IconTo Next Page
To Next Page IconTo Next Page
To Previous Page IconTo Previous Page
To Previous Page IconTo Previous Page
Loading...
2
Installation
SIMPRO-100
34 PRIM-2400C
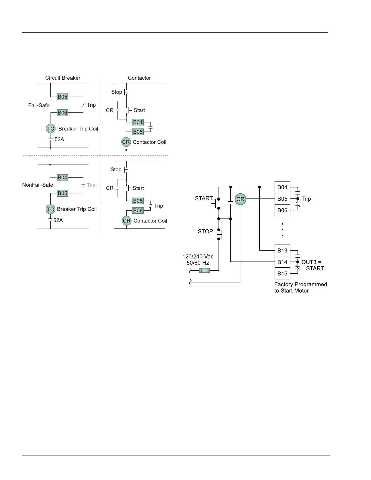
Figure 2.12 shows various wiring methods for
fail-safe and nonfail-safe wiring to control
breakers and contactors.
Figure 2.12 Trip Contact Fail-Safe, NonFail-Safe
Wiring Options
The relay output contacts are fully programmable
using the relay settings described in Appendix B,
page 137. For many applications, the factory
default configuration will provide the desired
performance.
The factory configuration for OUT1 provides an
alarm for selected protection elements such as
the motor thermal element, load loss element,
current unbalance element, and power element
alarms. The normally open output contact of
OUT1 closes if it detects any of these alarm
conditions.
The factory configuration for OUT2 provides an
alarm for RTD-based functions. The relay closes
the normally open output contact if an RTD alarm
temperature is exceeded, if the RTD Bias alarm
picks up, if RTD leads short or open, or if the
relay loses communication with the
SIMPRO-100-RTD Module. This output is
inactive if the relay is not equipped with RTD
inputs.
Output OUT3 can be used to start the motor
using the factory default settings as shown in
Figure 2.13.
The ALARM normally closed output contact is a
fail-safe contact. This contact opens while the
relay is in service and closes when:
Input power is removed
Three incorrect Access Level 2 passwords
are entered
Successful Access Level 2 admission is
achieved
The relay fails
Figure 2.13 Optional Motor Start Wiring Using
Factory Default Settings for Output
Contact OUT3

Table of Contents

Related product manuals