EasyManua.ls Logo

Siemens SINAMICS S120 - Page 327

Siemens SINAMICS S120
510 pages
To Next Page IconTo Next Page
To Next Page IconTo Next Page
To Previous Page IconTo Previous Page
To Previous Page IconTo Previous Page
Loading...
Maintenance and servicing
6.5 Forming the DC link capacitors
Cabinet Modules NEMA
Manual, 04/2014, A5E03586450A
327
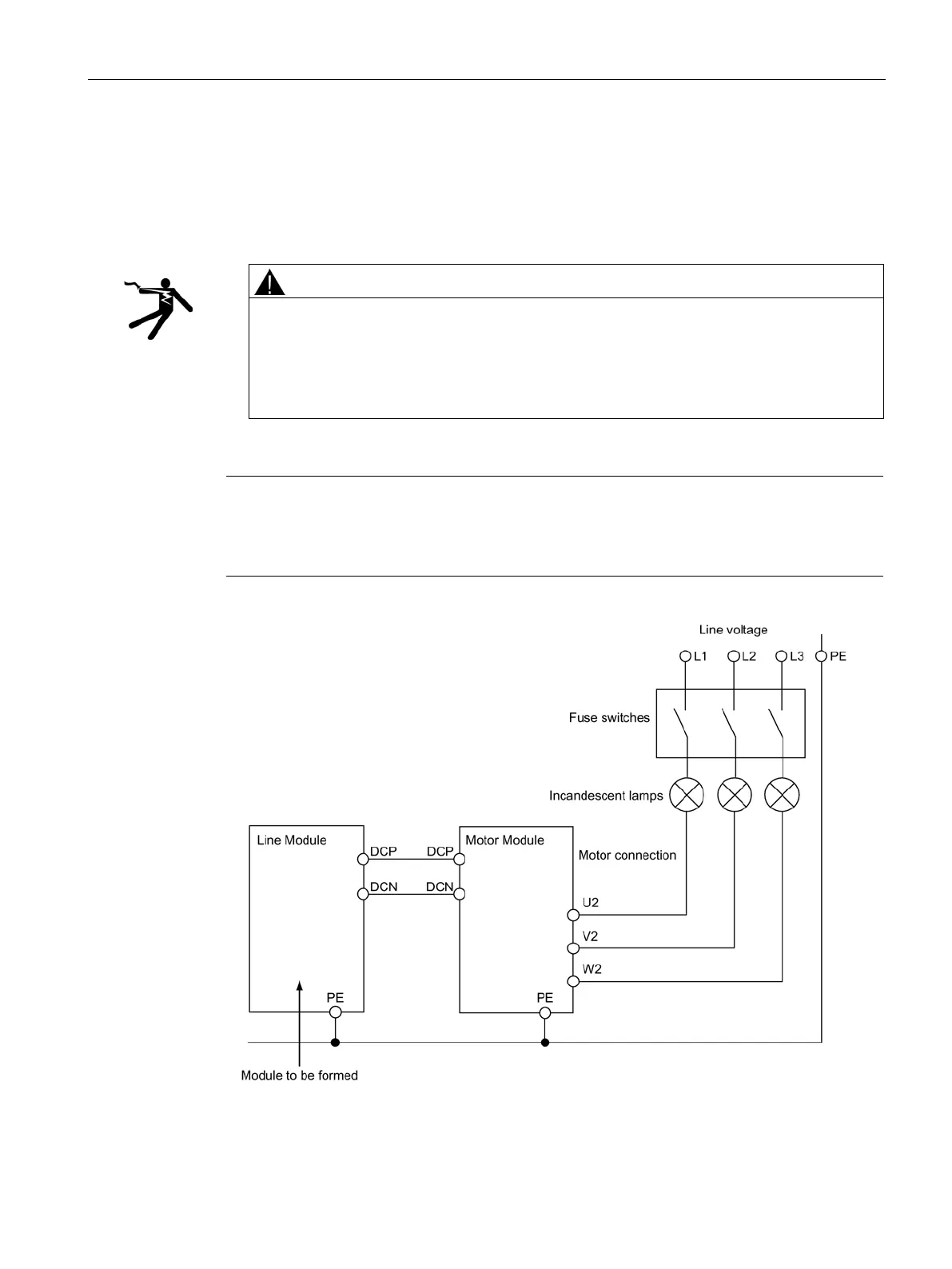
12 incandescent lamps 120 V / 50 W for a line voltage of 500 to 690 V 3 ph. AC, where 4
incandescent lamps must be connected in series in each supply phase.
Alternatively, use 3 resistors of 1 kΩ / 160 W each (e.g. GWK200J1001KLX000 from
Vishay) instead of the incandescent lamps.
Various small components, such as lamp sockets, cable #16 AWG (1.5 mm²), etc.
WARNING
Risk of death from electric shock when installation of lamp sockets is non-insulated
If two incandescent lamps connected in series are used, the insulation of the lamp
sockets is not rated for the high voltage of 500 to 690 V 3 ph AC.
For a line voltage of 500 to 690 V 3 ph AC, install the two lamp sockets connected in
series with insulation and protect them from being touched.
Forming circuit for Line Modules
Note
Forming the Line Modules
Voltage must be supplied to Line Modules via a connected Motor Module and the associated
DC link.
Figure 6-32 Forming circuit for Line Modules

Table of Contents

Other manuals for Siemens SINAMICS S120

Related product manuals