EasyManua.ls Logo

Ski-Doo FORMULA SL 1997 - Carburetor and Fuel Pump

Ski-Doo FORMULA SL 1997
926 pages
Print Icon
To Next Page IconTo Next Page
To Next Page IconTo Next Page
To Previous Page IconTo Previous Page
To Previous Page IconTo Previous Page
Loading...
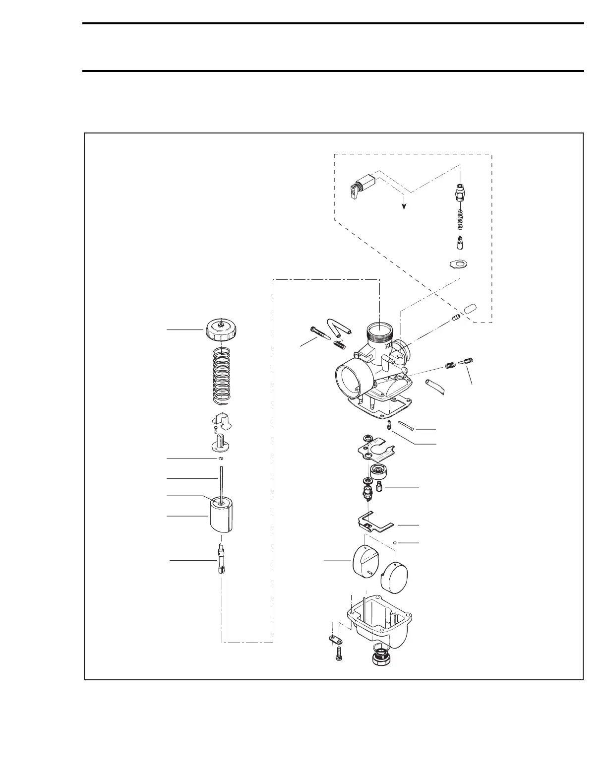
Section 03 ENGINE
Sub-Section 09 (CARBURETOR AND FUEL PUMP)
03-09-1
CARBURETOR AND FUEL PUMP 9
A15C2AS
6
13
10
8
11
12
9
7
1
2
3
4
5
14
To other
carburetor
All Carburetors
Except
VM-34-443
Carburetors VM 30-190
VM 34-443
VM 34-467
VM 34-481
VM 34-482
FLAT RATE
PARTS

Table of Contents