EasyManua.ls Logo

SLE SLE5000 Model J - Schematic

SLE SLE5000 Model J
344 pages
Print Icon
To Next Page IconTo Next Page
To Next Page IconTo Next Page
To Previous Page IconTo Previous Page
To Previous Page IconTo Previous Page
Loading...
Page 222 (Model J)
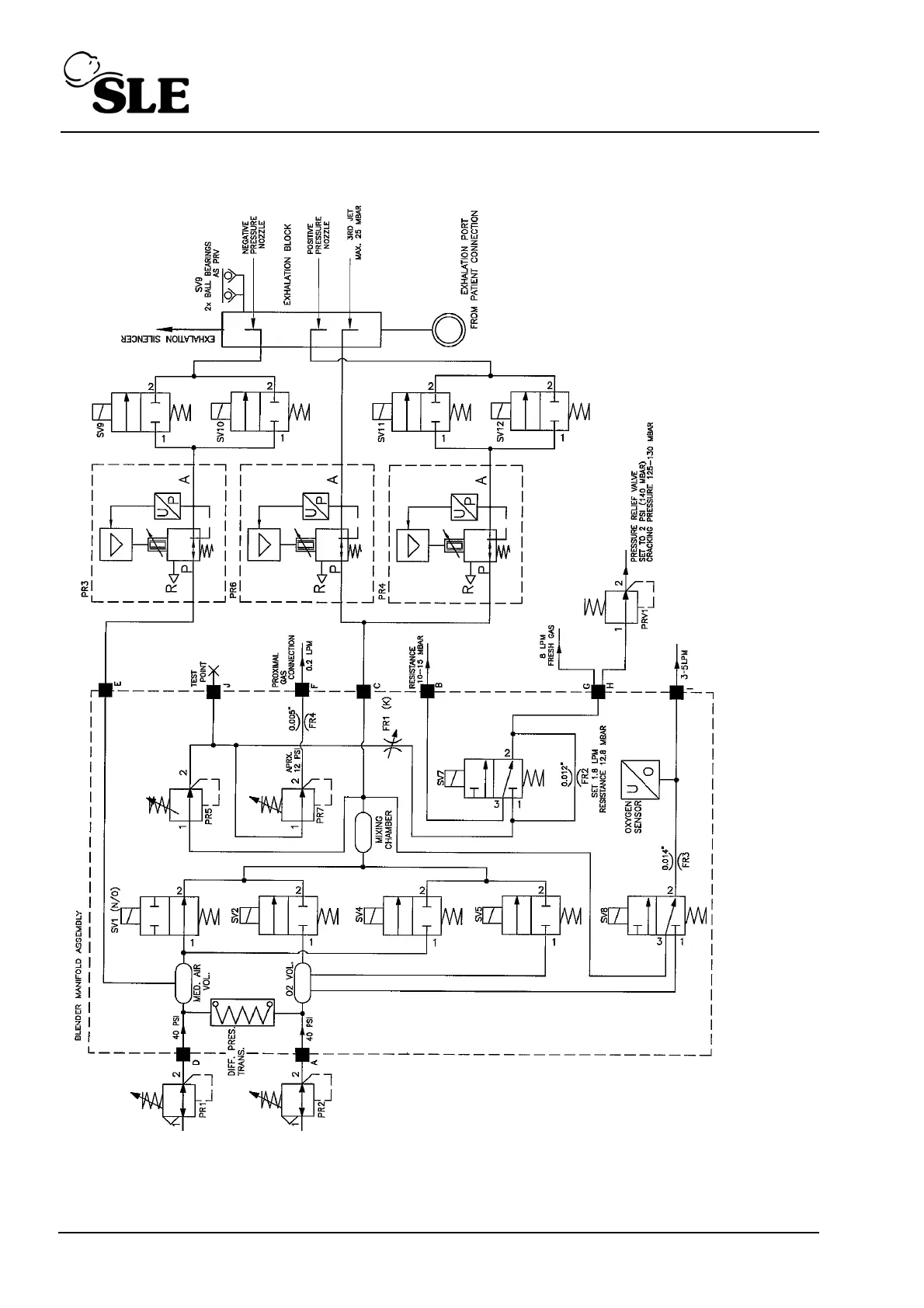
28.2 Schematic

Table of Contents

Related product manuals