EasyManua.ls Logo

SLE SLE5000 Model J - Control & Monitor, Alarm Controller

SLE SLE5000 Model J
344 pages
Print Icon
To Next Page IconTo Next Page
To Next Page IconTo Next Page
To Previous Page IconTo Previous Page
To Previous Page IconTo Previous Page
Loading...
Page 238 (Model J)
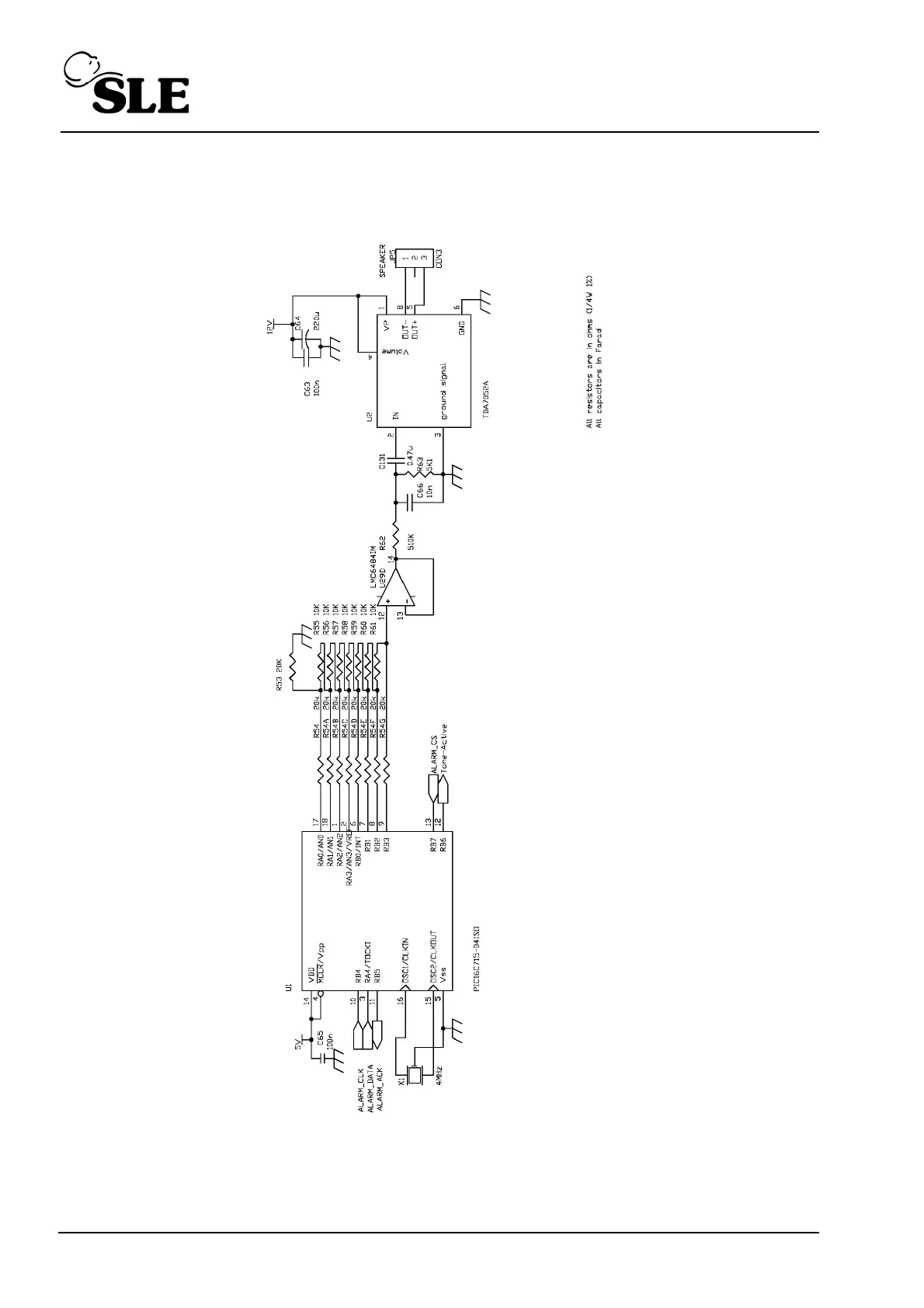
32.11 Control & Monitor, Alarm Controller

Table of Contents

Related product manuals