EasyManua.ls Logo

Sony CCD-TR317 - Stereo Audio System Adjustment; (CCD-Trv87;Trv87 P)

Sony CCD-TR317
228 pages
Print Icon
To Next Page IconTo Next Page
To Next Page IconTo Next Page
To Previous Page IconTo Previous Page
To Previous Page IconTo Previous Page
Loading...
5-52
3-6. STEREO AUDIO SYSTEM ADJUSTMENT
(CCD-TRV87/TRV87P)
Perform the adjustment using color bar signal as a video signal
input for the VIDEO terminal.
The items to be adjusted for the R channel will be indicated within
the [ ], in regard to the adjusting items to be adjusted for both L
and R channels.
Set the Hi-Fi sound switch in the menu display to “STEREO”
position unless specified otherwise.
Note :
1) When inputting the audio signal, input same signal to both the L and R
channels, unless otherwise.
2) Be sure insert the plug (Shorting plug or dummy plug, etc) into the
AUDIO terminal (Right). If the plug is not inserted, the monaural mode
will be set, and correct adjustments can not be carried out.
[Monaural mode]
During recording ...............REC AFM RF 1.7MHz carrier will not be
output.
During playback................ The L + R signal will be output from the
AUDIO terminal (Left).
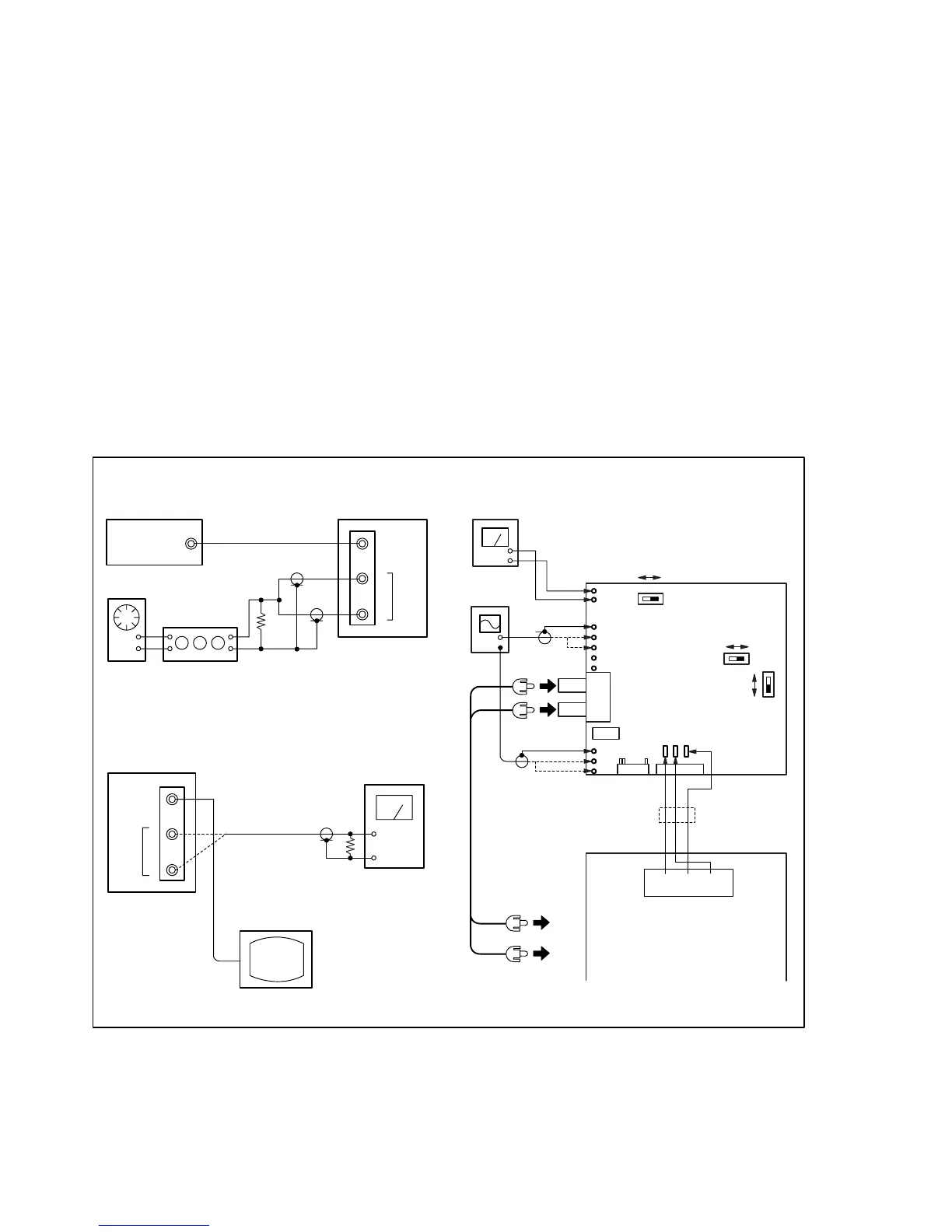
[Connecting the measuring instruments for the audio]
Connect the audio system measuring instruments in addition to the
video system measuring instruments as shown in Fig. 5-3-18, and
perform adjustments at the power switch [VTR] position.
[Adjustment Procedure]
1) 1.5MHz deviation adjustment
2) 1.7MHz deviation adjustment
3) BPF adjustment
Pattern generator
Video output
(75
)
Audio
oscillator
Attenuator
600
600
(270
(1-249-410-11) +330
(1-249-411-11))
Main unit
Main unit
VIDEO
VIDEO
AUDIO
AUDIO
L
R
L
R
L
R
In Recording
In Playback
47k
47k
:1-249-437-11
47k
:1-249-437-11
Audio level meter or
distortion meter
TV monitor
When connecting AFM DEV jig.
Oscilloscope
TP27
(GND)
TP28(DC)
CH1
B
INV
A
SIN
85
qa
AFM DEV jig
(J-6082-312-A)
TP33(GND)
TP32(R OUT 1)
B
TP31(L OUT 1)
A
TP29(L OUT 2)
TP30(R OUT 2)
S2
S1
S3
PA L N T
ST
BIL
J1(R)
J2(L)
J3
TP2(R OUT)
B
TP3(L OUT)
A
TP1(GND)
TP26
TP24 TP25
CN2
CH2
CN1
Use the CPC-7 jig
(J-6082-382-A)
Red
Red
White
CN982
VC-234 board
GND
BPF MONI
RF SWP
A
:1.5MHz deviation adjustment.
B
:1.7MHz deviation adjustment.
To Audio terminal
White
+
Stabilized power supply
(+7Vdc to +9Vdc)
Fig. 5-3-18.

Table of Contents

Related product manuals